【摘要】随着城市规模不断扩大,城市照明景观监视不断发展。近年来路灯灯杆带电、开关控制柜外壳带电、地下线缆漏电着火事件时有发生。威胁着人们的生命财产安全。路灯是城市文明形象的表现,它是代表该城市整体形象的名片,彰显了一个城市的内在魅力,因此要维护好城市路灯,保证其正常运行,这就要求处理好路灯线路的电气安全及防护等问题。
【关键词】城市照明;电气安全;灯杆带电
0 概述
自20世纪90年代以来,随着城市建设的发展、城市治理水平的提升,我国城乡路灯建设进入快速发展时期,路灯建设规模基本与城市建设规模相适应,城乡路灯建设年平均增长率约为 13% 左右。到目前为止,基本实现了条条道路 有路灯,路灯已经成为现代城市的市政设施之一。以我国行政区划统计,农村自然村拥有的路灯数量在几十盏到几百盏之间,镇街路灯数量在几百盏到几千盏之间,区(县)城区路灯数量在几万盏左右,地级城市路灯数量在几万到十几万盏之间,省会城市、直辖市的路灯数量约在十几万到几十万盏之间,初步估算全国路灯数量约 2.5 亿盏左右。路灯在保障车辆交通安全、行人安全、建设平安城市方 面发挥了重要作用,带给城市光明,守护着城市的平安。但是,数量庞大的路灯作为户外用电设施,近年来在全国多地发生多起路灯漏电伤人事故,产生了不良的社会影响。据媒体公开报道的不完全统计,从 2011 年到 2022 年,全国共有 65 个城市发生户外路灯设施漏电伤人事故,共造成 81 人死 亡、19 人受伤。造成事故的原因有灯杆漏电、控制箱漏电、沙井漏电、电缆漏电,其中灯杆漏电事故*为严重。户外路灯设施漏电伤人事故频发,已成为现代中国城市的一个痼疾,让百姓“谈灯色变”,路灯漏电伤人事故也引起了各级政府的高度重视。
1 路灯漏电伤人事故的原因分析
路灯是户外用电设施,虽然有设计标准,有建设规范,有严格的工程施工管理和日常维护管理,但是,路灯的使用环境复杂多变,多种破坏因素致使路灯供电线路或灯具失去原有的绝缘保护,导致带电导线与金属灯杆接触引起灯杆带电,或带电导线处于裸露状态,遇到暴雨天气造成的积水,就会引起灯杆周围积水带电。如果行人不知道积水带电,误入水中就会因跨步电压触电倒地,危及生命安全。
造成路灯电缆损坏的原因主要包括:
(1)路灯设施受阳光、温度、雨水、风沙、地震、台风、盐雾、雷击、振动、老鼠、基础下沉、外力破坏等因素影响,导致电缆绝缘层老化、电缆变形拉断、电缆接头连接不好、电缆接头绝缘损坏,产生电缆漏电隐患。
(2)在漏电故障线路排查中发现,大部分破损严重的线缆,由于路基下沉、施工破坏、老鼠咬破线皮、线缆接头绝缘胶布老化等原因,导致带电铜线外露,遇水漏电。
(3)路灯数量多,供电线路长,存在的漏电隐患多且隐蔽。传统路灯设计标准和管理模式无法预先发现漏电隐患,往往是发生了漏电事故,才暴露出漏电故障,难以事前管理。
(4)遇到台风暴雨天气,城市道路排水不畅,存在漏电隐患的灯杆基础、线缆、开关箱、电缆沙井被积水淹没,导致周围积水带电,成为“事故元凶”。
(5)社会各界对路灯漏电伤人的危害性认识不到位,听之任之,麻木不仁,存在侥幸心理。
(6)对路灯杆漏电伤人现象,缺乏认真科学的研究和分析,没有找到有效的解决方法并制定相应的管理标准。
2 城市路灯线路剩余电流保护措施
在城市路灯线路中加装剩余电流保护装置,是重要的保护措施之一。当超过30mA以上的电流流经人体时,人身安全则可能受到威胁。路灯设施规划设计过程中对其安全保护也做出了明确的说明,但是受多重因素的影响,诸多保护无法有效落实,而线路时剩余电流*常发生的部位,主要是是受外力影响出现的损坏或线路本身存在的问题,尤其是在恶劣气候条件下,路灯线路容易出现剩余电流事故。剩余电流保护是通过在控制柜内加装剩余电流监测装置,对剩余电流进行监测,及时切断供电线路,做出安全保护,防止发生触电事故。
3 产品简介
ASJ60-LD1A剩余电流监测仪适用于交流额定电压为400V及以下的配电线路中使用,用于监测线路中的剩余电流,用来对电气线路进行接地故障保护,防止接地故障电流引起的设备损坏和电气安全事故,或用来对人身触电危险提供间接接触保护。该产品可应用于路灯、庭院灯、景观灯的配电箱内,进行漏电或接地故障监测。
(1)功能特点 ?
◆可实时监测 TN-S、TT 系统配电线路的剩余电流; ?
◆剩余电流监测范围和报警值的设置范围为3mA-30A; ?
◆2 路剩余电流报警继电器,当剩余电流超过设定值时,继电器动作; ?
◆1 路 DI 输入功能,可以用于水浸监测,当水浸故障发生时,继电器动作; ?
◆绝缘检测功能,当发生了漏电故障后,继电器动作同时启动绝缘检测,测量出线回路绝缘电阻,绝缘电阻正常后尝试重合闸; ?
◆具有 RS485 通讯及 HPLC 通讯功能; ?
◆复位功能,仪表检测到发生故障,并在故障排除之后,可以按下复位按键,复位仪表。
(2)应用案例
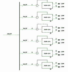
(3)接线示意
(4)解决方案

4 结语
利用基于宽带电力载波通讯技术的路灯安全用电管理解决方案,将路灯供电线路升级为数据传输通道,将城市路灯供电网络,变身为城市传感数据通讯网络。通过ASJ60-LD1A剩余电流监测仪外接剩余电流互感器及水浸传感器,实现对路灯照明系统以灯杆为单元的实时在线监测,及时发现路灯漏电故障以及道路积水情况,并根据情况采取对应的措施,杜绝路灯漏电伤人事件的发生,保障城市路灯稳定运行,确保城市居民人身安全。