东莞微型测力传感器厂家直销
东莞微型测力传感器厂家直销
产品价格:¥1.00(人民币)
  • 供应数量:50
  • 发货地:广东-东莞市
  • 最小起订量:1台
  • 免费会员
    会员级别:免费会员
    认证类型:企业认证
    企业证件:通过认证

    商铺名称:东莞市南力测控设备有限公司

    联系人:姜峰(先生)

    联系手机:

    固定电话:

    企业邮箱:1060374123@qq.com

    联系地址:东莞市中堂镇东泊工业区海硕高新科技园A栋3楼

    邮编:52300

    联系我时,请说是在口碑仪器网上看到的,谢谢!

    商品详情

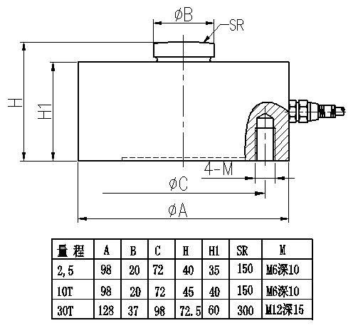
      WTP202测力传感器(元板式)

      测力传感器详情说明:

      用途及特点

      抗偏载、低高度、强度好,安装方便,

      适用于各类压机,天平台秤、 及料仓物位测量与控制。

      可选择放大器,标准输出4-20mA0-5V0-10V

      或RS485

      技术参数

      参 数

      技术指标

      参 数

      技术指标

       

      2,5 10,30T

      输出电阻

      700±5Ω

      灵敏度

      1.5±10% mV / V

      绝缘电阻

      5000MΩ / 100VDC

      零点输出

      ±1% F.S.

      激励电压

      10-15VDC

      非线性

      ±0.3% F.S.

      温度补偿范围

      -10 ~ 60oC

      滞后

      ±0.05% F.S.

      工作温度范围

      -20 ~ 80oC

      重复性

      ±0.05% F.S

      安全超载

      150% F.S.

      蠕变

      ±0.03% F.S/30min

      极限超载

      200% F.S.

      温度灵敏度漂移

      0.03% F.S. / 10

      电缆线尺寸

      ?5.2×3m

      零点温度漂移

      0.03% F.S. / 10

      电气连接

      /E+,黑/E-,绿/S+,白/S-

      输入电阻

      750±10Ω

      材质

      不锈钢或合金钢


    在线询盘/留言
  • 0571-87774297