GKYWG-52激光物位计
GKYWG-52激光物位计
产品价格:¥5000.00(人民币)
  • 供应数量:1
  • 发货地:河北-邯郸市
  • 最小起订量:1台
  • 免费会员
    会员级别:免费会员
    认证类型:企业认证
    企业证件:通过认证

    商铺名称:河北光科测控设备有限公司

    联系人:安先生(先生)

    联系手机:

    固定电话:

    企业邮箱:15633105800@163.COM

    联系地址:邯山区高新技术开发区机场路中段路东

    邮编:056000

    联系我时,请说是在口碑仪器网上看到的,谢谢!

    商品详情

      产品概述

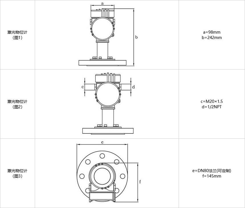
      GKYWG-52激光物位计也叫激光料位计,由河北光科测控设备有限公司自行研发的一种大量程、高准确度的防爆型物位测量产品。具有物位测量、平均温度测量、开关量报警输出、可连接罐旁显示仪等功能,产品结构合理,准确度高、维护率低。该产品已经广泛应用于石油、化工、电力、冶金、食品、制药、造纸、水处理等行业的物位测量与液位过程控制。


      激光物位计由半导体激光器发射连续激光束,激光束遇到被测物体表面进行反射,光线返回由激光接收器进行接收。采用相位比较的原理把接收到的激光信号跟参阅信号进行比较,准确计算激光自发射到接收之间的时间差后再用微处理器准确计算出。其准确度可达毫米等级,标准的4~20mA信号和RS485信号可以远传至控制室方便监测管理。可以测量介质:颗粒、块状、粘稠、水、食品;应用工况:测距离、测液位、测物位等工况。


      产品特点

      测量光束发散角小、方向性集中

      量程大、测距远、无盲区

      不受介质温度影响,不受温度变化影响

      测量速度快,适合变化快的液位及料位测量

      操作简单,可编程测量

      分辨率高出一般仪表十倍

      波束角小,适合长距离定位,避免障碍物

      典型应用

      1、石油工业、电力、市政、水利、制药、食品

      2、煤仓、水泥仓、各种料、钢水、铝水等高温介质

    在线询盘/留言
  • 0571-87774297