SD伯纳德电动执行机构AS-25/K(F) 250Nm
SD伯纳德电动执行机构AS-25/K(F) 250Nm
产品价格:¥1.00(人民币)
  • 供应数量:1
  • 发货地:天津-静海县
  • 最小起订量:1台
  • 免费会员
    会员级别:免费会员
    认证类型:企业认证
    企业证件:通过认证

    商铺名称:天津天北阀门科技有限公司

    联系人:聂玉盼(先生)

    联系手机:

    固定电话:

    企业邮箱:www.tianbeikj@163.com

    联系地址:天津静海北环工业区朝阳道东侧

    邮编:301600

    联系我时,请说是在口碑仪器网上看到的,谢谢!

    商品详情

      AS-25/K(F) 250Nm的详细资料:

      产品名称:AS-25/K(F) 250Nm系列电动执行机构

      产品型号:AS-25

      产品力矩:250Nm

      行 程:30S

      产品电源: 220V 380V 415V

      控制方式:手动(手轮)、就地电动手操、自动(模拟量控制)

      输入信号:4-20mA

      输出信号:4-20mA

      产品概述:

         (一)SD伯纳德电动执行器是一个智能化的控制系统。

      SD伯纳德电动执行机构AS-25/K(F) 250Nm,在充分砐取了国内外同类产品先进技术的前提下,根据我国工业控制系统特点,利用现代单片机技术将其功能完全由可靠性的PIC-16C711单片机为核心完成各种控制、各种功能由“软件”程序去完成。

      (二)SD伯纳德AS-25角行程电动执行机构是一个功能齐全的控制系统。

           1、断信号保护功能----当输入信号小于2mA时,视为断信号,此时输出轴按使用者预置的状态动作。预置方式有三种:a、原位,b、全开,c、全关。

           2、过流保护功能----当执行机构过流时本机控制电路自动关闭,执行机构保持原位,以保护执行机构及阀门等。

           3、动态电制动功能---当电机运转至给定值=反馈值时,由于运转惯性惰走会使输出轴振荡。此时,由“软件”程序发出了一个动态电制动指令,(即给出一个瞬间反向电流)使扫行机构立即停止运转,无惰走振荡,极大地提高了自动调节系统的可靠性及稳定性。

      4、上限及下限限位功能---根据现场需要,角行程在90度范围内,基它在额定行程范围内,上、下限两端限位随意可调,可调范围在40%左右。出厂时,下限位设定为4mA,上限位设定为20mA.

          (三)SD伯纳德AS-25角行程电动执行机构是一个高可靠性及稳定性的控制系统。

      所选用的PIC系列单片机,其功能强大,可靠性高。它集中央控制器RAM,ROM,I/O口于一身。因消除了外部引线,受干扰影响的可能几乎为零。与常规电路的同类产品相比肯有结构紧凑,所用元器件少,体积小,调整方便,故障率低,稳定性高等特点。另因该单片机为单字节指令,消除了操作码与操作数的混淆,进一步提高了稳定性。否则,程序是烧死在ROM中又在软件设计上增高了“看门狗”(此看门狗电路在单片机内是独立工作的,不受时钟、电路影响)从根本上消除了单片机“死机”的发生,因此,此系统是个非常可靠的系统。综合上述,SD伯纳德AS-25角行程电动执行器是具有90年代水平的先进机型,是传统产品的升级换代产品。

      说明:SD伯纳德AS-25角行程电动执行器用于驱动90度转角的阀门蝶阀、球阀、百页阀、风门、旋塞阀、挡板阀等。

         蝶阀电动执行机构设计独特、功能强、体积小、重量轻、性能可靠,轴承和关键器件采用口产品,蜗轮输出一体化,消除了联结、间隙,传动精度高、回差小;

      蝶阀电动执行机构过伺服放大器的比较后,输出开关信号,驱动电机,经过机械减速,将输入信号转换成相对应的输出轴转角位移:自动地操纵风门挡板,蝶阀,球阀等装置,完成统的自动调节任务:蝶阀电动执行机构它广泛应用于电站、冶金、石油、化工、机械、轻工、纺织、食品和医药等工业部门的调节系统中

      SD伯纳德电动执行机构AS-25/K(F) 250Nm主要技术性能: 

      下述技术性能主要指比例调节型,对远控制型及开关型下列1、2、3、4、5、6、11、12、13、14项不涉及。 

      1、输入信号:4mA-20mA直流或1V-5V直流;

      2、输入通道电阻;250Ω; 

      3、输入通道个数:1(分立式为3个);    

      4、基本误差:±1, ±2.5%; 

      5、回差:1%,1.5%; 

      6、死区:0.5-3%(可根据系统要求设定)

      7、阻尼特性:无摆动

      8、电源电压:单相220V(+10%,-15%)50Hz±1%    三相380V±10%  50Hz±1%

      9、工作环境:温度:整体式-10-+55℃;分立式-25-+70℃;湿度:≤85%,周围空气不含有腐蚀性物质;

      10、外壳防护等级;符合GB4208 IP65(即防雨防尘);

      11、断信号保护功能:预置方式有三种:a、原位,b、全开,c、全关;

      12、过流保护功能:对不同型号机型,保护电流值可调整;(机械部分有过力矩保护开关)

      13、动态电制动功能; 

      14、上限及下限限位功能:在额定行程范围内,上下限可调范围在40%左右;(机械部分有行程控制开关及机械限位)

      15、工作制;可逆断续工作制,接通持续率50%,每小时接通次数1200次

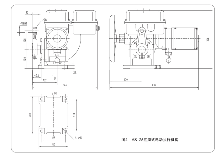
      AS-25 SD伯纳德角行程底座式尺寸图

      AS-25 SD伯纳德角行程直联式尺寸图

      SD伯纳德选型图


    在线询盘/留言
  • 0571-87774297