安科瑞ANSNP中线安防保护器非线性负载谐波治理装置安科瑞谐波补偿
安科瑞ANSNP中线安防保护器非线性负载谐波治理装置安科瑞谐波补偿
产品价格:¥43400.00(人民币)
  • 供应数量:99
  • 发货地:上海-嘉定区
  • 最小起订量:1只
  • 家家通
    会员级别:家家通
    认证类型:企业认证
    企业证件:通过认证

    商铺名称:安科瑞电子商务(上海)有限公司

    联系人:张继冬(先生)

    联系手机:

    固定电话:

    企业邮箱:2880956070@qq.com

    联系地址:上海市嘉定区育绿路253号

    邮编:

    联系我时,请说是在口碑仪器网上看到的,谢谢!

    商品详情

      安科瑞ANSNP中线安防保护器非线性负载谐波治理装置安科瑞谐波补偿

      一、产品概述

               ANSNP 系列中线安防保护器并联在含谐波负载的低压配电系统中,能够对动态变化的谐波电流进行快速实时的跟踪和补偿。中线安防保护器的基本原理为:通过电流检测环节采集系统中性线上过电流信息,经控制器快速计算并提取各次谐波电流的含量,产生谐波电流指令,通过功率执行器件产生与过电流幅值相等方向相反的补偿电流,并注入中性线,从而消除中性线中过大的电流。
      二、产品型号



      注:例如 50A 的壁挂式 ANSNP 模块型号为 ANSNP 50-0.4/B。
      三、技术参数



      本设备为强迫风冷壁挂式设备。设备底面板为散热进风口,同时正面装配了液晶屏用于设备的近端人机交互;设备顶板为散热出风口,同时含有一次及二次线缆的接线端口。设备顶板包含一次接线端子(三相四线制A/B/C/N/N、三相三线制为 A/B/C)以及电流互感器、配件供电、紧急停机、通讯)等二次接线端子。2 个 N 线端子在设备内部并联;当 N 线工作电流不大于额定相线电流时,仅需连接 1 根 N 线;当 N 线工作电流大于额定相线电流时,需连接 2 根 N 线;
      注:三相四线制设备的 A/B/C 相线与 N 线严禁接反,接反后会引起相间短路,造成设备严重损坏。
      四、安装与接线


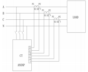
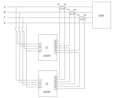
      4.1、互感器接线


      电流互感器适配范围支持 100:5~10000:5,电流互感器线缆要求为:低烟、无卤、阻燃,2.5mm


      图 2 电流互感器安装位置及单 ANSNP 电流互感器接线示意图



      图 3 电流互感器安装位置及多 ANSNP 并联电流互感器接线示意图
      注:1)主回路接线应保证电网相序与中线安防保护器相序一致,否则中线安防保护器可能不能正常工作;

      2)每只互感器的 S1、S2 必须与相应标号的端子对应,严禁二次侧开路。否则可能会引起互感器烧毁;

      3)大于等于 3 台以上 ANSNP 模块并机时,A、B、C、N 接线和互感器接线参考图 3 中 2 台并机串联方法。

      4.2、设备安装要求

      壁挂式安装空间要求
      壁挂模块安装时,模块从下方进风,向上排风。热量从下往上散发,模块上下出口至少要预留 150mm 的进出风空间且安装位置与地面的距离要在 1.5 米以上,禁遮挡出风口。

      图 4 壁挂式安装空间要求示意图

      壁挂式安装(7.0 寸触摸屏自带)
      壁挂式模块通常在墙壁上或者尺寸较小的柜体内,壁挂式模块会标准配置一对挂耳,如图所示。可在墙壁打Φ10 的孔,用 M8 的膨胀螺丝进行固定。壁挂式模块会配备 7.0 寸彩色触摸屏。用户通过触摸屏查看系统装置参数、进行参数设置以及装置的开关机操作。

      安科瑞ANSNP中线安防保护器非线性负载谐波治理装置安科瑞谐波补偿

    在线询盘/留言
  • 0571-87774297