液压升降平台控制液压阀块
液压升降平台控制液压阀块
产品价格:¥3000(人民币)
  • 规格:升降阀块
  • 发货地:宁波
  • 品牌:
  • 最小起订量:1套
  • 诚信商家
    会员级别:钻石会员
    认证类型:企业认证
    企业证件:通过认证

    商铺名称:余姚市高登液压技术有限公司

    联系人:郑烟挺(先生)

    联系手机:

    固定电话:

    企业邮箱:584039254@qq.com

    联系地址:浙江省宁波市余姚市丈亭镇凤东村官墩胡家79号

    邮编:315410

    联系我时,请说是在口碑仪器网上看到的,谢谢!

    商品详情

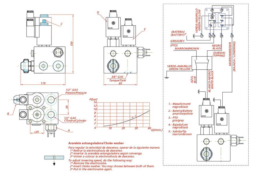
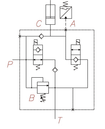
      这是一个用于控制液压升降平台升降的液压阀块

      增加了一个电子卸荷功能,当传感器A受到设定的压力后,对应的卸荷电磁阀会打开。

      请看液压原理图(如下):


      外形尺寸和流量曲线:


      外形图片:


    0571-87774297