平台升降阀块,定速下降液压阀块
平台升降阀块,定速下降液压阀块
产品价格:¥1900(人民币)
  • 规格:升降阀块
  • 发货地:宁波
  • 品牌:
  • 最小起订量:1件
  • 诚信商家
    会员级别:钻石会员
    认证类型:企业认证
    企业证件:通过认证

    商铺名称:余姚市高登液压技术有限公司

    联系人:郑烟挺(先生)

    联系手机:

    固定电话:

    企业邮箱:584039254@qq.com

    联系地址:浙江省宁波市余姚市丈亭镇凤东村官墩胡家79号

    邮编:315410

    联系我时,请说是在口碑仪器网上看到的,谢谢!

    商品详情

      平台升降阀块,定速下降液压阀块

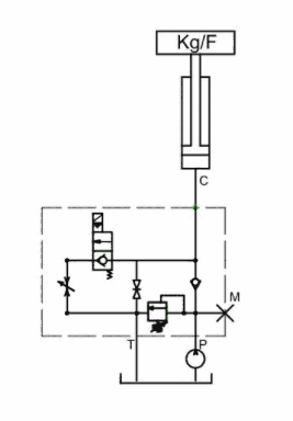
      这个是一个控制平台升降的液压阀块,集成液压安全阀,可以直接安装在液压泵油口。

      下放速度由液压节流阀阀控制,可以手动调节。

      (下放速度和重物重量有关,也可以设计平衡阀系统)

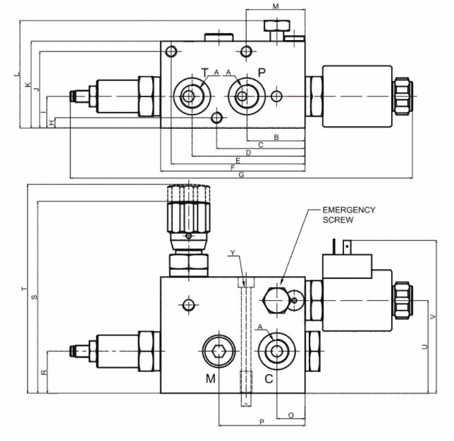
      阀块外形:


      液压原理图:


      外形尺寸:


    0571-87774297