圆型铰接系列直线位移传感器
圆型铰接系列直线位移传感器
产品价格:(人民币)
  • 规格:XMPM
  • 发货地:陕西西安市
  • 品牌:
  • 最小起订量:1只
  • 诚信商家
    会员级别:钻石会员
    认证类型:企业认证
    企业证件:通过认证

    商铺名称:西安新敏电子科技有限公司

    联系人:崔经理(先生)

    联系手机:

    固定电话:

    企业邮箱:1172591273@qq.com

    联系地址:陕西 西安 西安市西安市雁塔区电子西街3号

    邮编:710065

    联系我时,请说是在口碑仪器网上看到的,谢谢!

    商品详情


       西安新敏电子科技有限公司是专业从事压力、液位、温(湿)度等传感器及配套仪器仪表、测控系统的产品开发及生产销售为一体的。自 2000 年注册成立以来,公司一直以向全国范围开拓市场为导向,以加强改革生产技术为保障,以不断增强综合实力来赢得竞争为发展战略。经过多年的努力,如今,公司下设研发中心、新品开发部、产品生产部、工程技术部以及电子商务销售部,集合产品的开发、生产、集成、销售于一体,成为一个充满活力的新兴综合型企业。

       

       

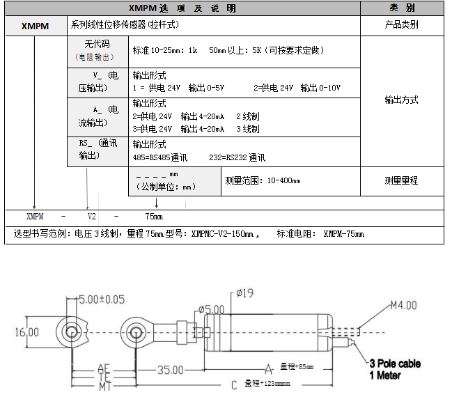
      号:XMPM

      程:10-400mm

      阻:1KΩ 5KΩ (其他可定制)  : 阳极氧化铝

      : 铰链安装

      寿 : 1 亿

      : 柔性缓冲轴承 电阻原件: 导电塑料

      滑刷组件: 贵金属多指电刷,带弹性阻尼 电气连接: 1 米屏蔽线

      本产品可选外置变送,供电  12V-24VDC,输出  0-5V0-10V0-20mA4-20mA(二线制、三线制、 四线)以及   RS485RS232。具体选型可参考本公司信号转换器系列产品。

       

      XMPM 系列

       

      10

      25

      50

      75

      100

      125

      150

      200

      250

      300

      350

      400

      电气总行程(T.E)

      mm

      11

      26

      51

      76

      101

      126

      151

      201

      251

      301

      351

      401

      可用电气行程(A.E)

      mm

      10

      25

      50

      75

      100

      125

      150

      200

      250

      300

      350

      400

      电阻±20%

      kΩ

      1

      5

      独立线

      ±%

      0.3

      0.2

      0.2

      0.1

      0.1

      0.05

      0.05

      0.05

      0.05

      0.05

      0.05

      0.05

      机械行程(M.T)

      mm

      15

      30

      55

      80

      105

      130

      155

      205

      255

      305

      355

      405

      解像度

       

      使用温度范围

      -30~120

      XMPM-SA/XMPM-A

      尺寸 A(A.E+85mm)

       

      mm

       

      95

       

      110

       

      135

       

      160

       

      185

       

      210

       

      235

       

      285

       

      335

       

      385

       

      435

       

      485

      XMPM-SA

      尺寸 C(A.E+123mm)

      mm

      133

      148

      173

      198

      223

      248

      273

      323

      373

      423

      473

      523


      XMPM(底部出线铰链式)

       

       

       



    0571-87774297