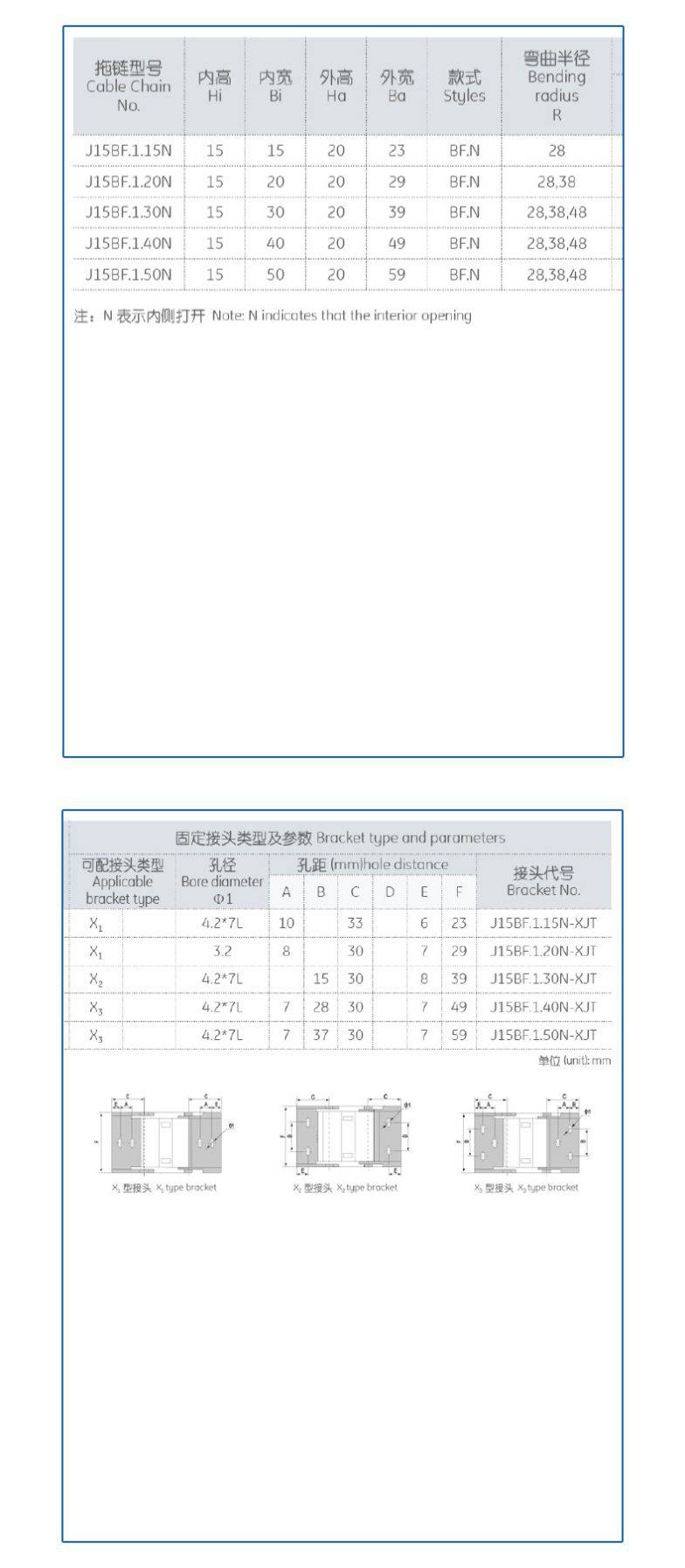
J15BF*50半封闭打开轻便型拖链机械手传动无尘车间
J15BF*50半封闭打开轻便型拖链机械手传动无尘车间
产品价格:¥35.00(人民币)
  • 规格:J15BF*50
  • 发货地:广东深圳
  • 品牌:
  • 最小起订量:1
  • 免费会员
    会员级别:试用会员
    认证类型:企业认证
    企业证件:通过认证

    商铺名称:深圳市华南天城机床配件有限公司

    联系人:邢超(先生)

    联系手机:

    固定电话:

    企业邮箱:2644966673@qq.com

    联系地址:江苏省昆山市玉山镇城北路1288号

    邮编:215300

    联系我时,请说是在口碑仪器网上看到的,谢谢!

    商品详情
      产品参数
      产品特性韧性强
      材质尼龙PA66
      是否库存
      型号J15*50
      适用机床加工中心
      矩形孔径5
      支撑板最大孔径5
      是否批发
      产品规格J15BF.50R28
      备注联系客服确定长度报价
      品牌JFLO










    0571-87774297