豫开户内高压真空负荷开关熔断器FZN25-12RD\/6301250A跌落式组合
豫开户内高压真空负荷开关熔断器FZN25-12RD\/6301250A跌落式组合
产品价格:¥3000.00(人民币)
  • 规格:FZN25-12\/630A
  • 发货地:浙江温州
  • 品牌:
  • 最小起订量:1
  • 免费会员
    会员级别:试用会员
    认证类型:企业认证
    企业证件:通过认证

    商铺名称:浙江豫开电力科技有限公司

    联系人:李玉静(小姐)

    联系手机:

    固定电话:

    企业邮箱:783249171@qq.com

    联系地址:

    邮编:

    联系我时,请说是在口碑仪器网上看到的,谢谢!

    商品详情
      产品参数
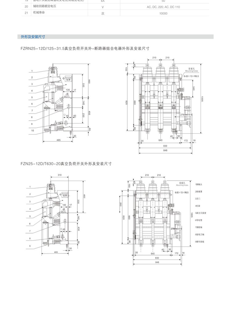
      豫开户内高压真空负荷开关熔断器FZN25-12RD/630 1250A 跌落式组合 型号FZN25-12RD/630A
      包装托盘
      认证机构ISO90001
      系列104
      零件状态在售
      安装类型户外
      断路器类型固态
      额定电流630A
      额定电压-AC220V
      额定电压-DC220V
      致动器类型不包括
      极数3极
      断路器20
      额定电压12KV
      额定频率50HZ
      额定断路开断电流20KA
      额定关合电流50KA
      额定操作顺序分-合分-合分
      额定储能电压AC 242/187
      额定分闸电压AC220V
      机械寿命10000
      数量100
      封装木箱
      批号202304
      品牌豫开电力

    0571-87774297