厂家批发ZW20-12F\/630-20户外看门狗高压断路器ZW20-12看门狗开关
厂家批发ZW20-12F\/630-20户外看门狗高压断路器ZW20-12看门狗开关
产品价格:¥2500.00(人民币)
  • 规格:完善
  • 发货地:江西南昌市
  • 品牌:
  • 最小起订量:1
  • 免费会员
    会员级别:试用会员
    认证类型:企业认证
    企业证件:通过认证

    商铺名称:江西长高高压电力设备有限公司

    联系人:龙玲(小姐)

    联系手机:

    固定电话:

    企业邮箱:longlong8188@163.net

    联系地址:江西省南昌市南昌高新技术产业开发区绿地新都会紫峰大厦

    邮编:330000

    联系我时,请说是在口碑仪器网上看到的,谢谢!

    商品详情
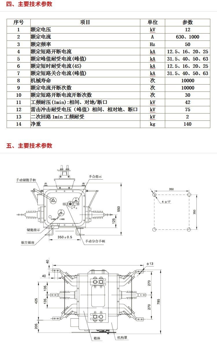
      产品参数
      厂家批发ZW20-12F/630-20户外看门狗高压断路器 ZW20-12看门狗开关 品牌长高
      可售卖地全国

      产品概述:

      ? ? ZW20-12(ZW20B-12)型户外柱上高压真空断路器为额定电压12kV、三相交流50Hz的户外高压开关设备。主要用于开断、关合电力系统的负载电流、过载电流及短路电流。

      ? ? 适用于变电站、工矿企业及城乡配电网作保护和控制, 特别适用于操作频繁的场所和城网自动化配电网络。 本产品与控制器配套,能满足配电自动化系统要求,并能可靠而有效地完成传统的重合器功能。

      ? ? 采用成熟的箱式密封结构,内部充以SF6气体,具有良好的密封性能,使之不受外界环境影响,是一种免维护产品。其弹簧操动机构采用直动链条主传动和多级脱扣系统,动作可靠性高,是柱上断路器的佳品。


      断路器产品的主流型号有:

      ZW20-630/12.5,ZW20-12/630-20,ZW20-12/630-25

      ZW20-1000/12.5,ZW20-12/1000-20,ZW20-12/1000-25


      结构及特点:

      结构:

      断路器由内装有高压系统及其操动部件的主体箱、操作机构箱和供安装、固定、搬(吊)运用的吊架三部分组成。


      特点 :

      1、装有真空灭弧室的断路器开断性能稳定可靠,采用环氧树脂和硅 橡胶整体浇注,尤其A、C两相的拐角套管,保证良好的外绝缘,具有无燃烧和爆炸危险、安全、体积小、重量轻和使用寿命长等特点。?

      2、断路器采用全封闭结构,箱内充以SF6气体,密封性能好,有防 潮、防凝露性能,适应于高温潮湿地区使用。?

      3、断路器内装有三相TA,输出三相电流供智能控制器进行信息分 析。TA变比可调,只要将连线端子接到相应的端子座即可。

      4、断路器的合、分闸可手动或电动操作及过流保护跳闸。?

      5、操作机构新颖、简单、动作可靠,体积小、机械寿命可达1万次。

      6、断路器的安装方式可用悬架吊装在横杆上,亦可选用座式安装。

      7、整个结构由合闸弹簧、储能系统、过流脱扣器、分合闸线圈、手 动分合闸系统、辅助开关及储能指示等部件组成。


      使用环境要求:

      a.周围空气温度:上限 40℃,下限-30℃

      b.海拔:≤2000m(若需增高海拔,则额定绝缘水平相应提高)

      c.风压:不超过700Pa(相当于风速34m/s);

      d.振幅:地震烈度8度

      e.污秽等级:Ⅲ级

      f.最大日温度差:不超过25℃


      安装、维护

      1 操作人员应初步了解产品的性能及安装调整、维护知识,对运行中问题应予以记录,必要时通知制造厂家。

      2 产品在安装前要进行外观检查。观察一下产品的绝缘套管是否有损伤,分合指示、储能指示是否有漏装现象,箱体是否有变形等。检查完毕后,产品要装在高4m以上的柱子上使用。

      带隔离开关的断路器安装时应认真检查隔离开关与断路器之间的机械联锁装置动作的准确性。


      3 产品在投入运行前,就仔细核对各操作元件的额定电压、额定电流与实际情况是否相符。并用机构进行操作,以检查各种动作是否正确。

      4 断路器的各项参数在出厂检验时就已经调整好,用户不必开机检查;按要求进行耐压试验后,即可安装。

      5 断路器可以单杆架设,也可以双杆架设。断路器应平稳、牢固地安装在专用钢架上。安装示意图见图19。

      6 产品定期进行小检,主要检查断路器的动作是否正常。带隔离开关的断路器,隔离开关每年检查2次,内容有检查隔离开关与断路器之间的机械联锁动作是否正常,并在活动部件注入一些润滑脂。


      运输、验收及贮存?

      运输:

      运输时必整台装入封闭的包装箱内加以固定。运输过程中不得翻转、倾斜,需采取防震措施。超吊断路器本体时,勾在箱体上的四个吊环,不得直接搬运环氧绝缘筒。超吊断路器带隔离开关时,重心偏于隔离开关侧,起吊时应缓慢进行。


      验收:

      用户收到断路器后应进行如下验收工作:

      1)检查包装是否损坏;

      2)对照产品装箱单检查文件、附件是否齐全;

      3)检查断路器铭牌上的技术参数、产品合格证是否符合订货要求。


      贮存:

      本断路器应存放在干燥、通风、防潮、防震及防有害气体侵袭的室内,长期存放应定期检查环境是否符合要求。装箱、开箱和保管应在干燥的室内进行,对产品及各部件要进行核对是否完整和相符。


      我公司其他产品型号:

      ★ZW32、ZW8、ZW6、ZW7、ZW10、ZW20、等系列户外高压真空断路器。

      ★VS1、ZN63、ZN28、ZN28A、ZN12、ZN85、ZN23等系列户内高压真空断路器。

      ★FN3、FN7、FN7、FK(R)N12系列高压负荷开关。

      ★FZ(R)N25、FZ(R)N21、FZ(R)N16系列高压真空负荷开关。

      ★HY5WS、HY5WR、HY5WD、HY5WZ等系列氧化锌避雷器。

      ★XRNT1、XRNP、XRNM、RN1、RN2、RN3等系列高压限流熔断器。

      ★GN19、GN22、GN24、GN30、GN38、GN27、GN2、GN6(8)、GW4、GW5等系列高压隔离开关。


    0571-87774297