蓝润低速永磁发电机 500KW足功率发电机 同步交流发电机
蓝润低速永磁发电机 500KW足功率发电机 同步交流发电机
产品价格:¥168000(人民币)
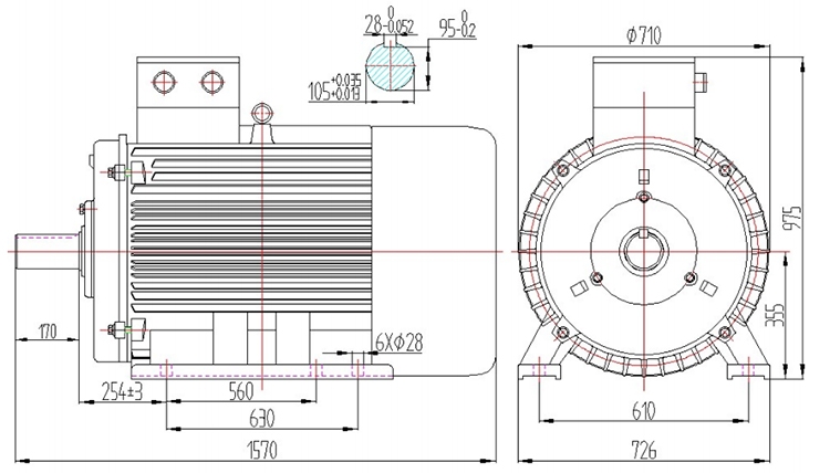
  • 规格:500KW
  • 发货地:山东德州市
  • 品牌:
  • 最小起订量:1台
  • 免费会员
    会员级别:试用会员
    认证类型:企业认证
    企业证件:通过认证

    商铺名称:宁津县鑫瑞达新能源科技有限公司

    联系人:薛芳(小姐)

    联系手机:

    固定电话:

    企业邮箱:1801812455@qq.com

    联系地址:山东省德州市宁津县杜集镇崔庄

    邮编:253400

    联系我时,请说是在口碑仪器网上看到的,谢谢!

    商品详情


      产品特点

      1.永磁发电机极数多,提高了风机低速时发电频率、解决了发电电压不稳的难题,提高了整流逆变效率,节省了后续处理设备的造价。

      2.公司具有英国ABB公司生产的风力发电机检测中心,可有效保证产品质量。

      3. 发电机经过有限元优化分析设计、结构合理,启动力矩小,解决了风车低速难以启动的难题,提高了风能利用率。

      4. 低速永磁发电机,省去了增速机,提高了发电设备的可靠性、提高了发电效率、维修量小。

      5.无炭刷、无励磁绕组,无励磁控制箱,结构简单,不产生火花.可靠性高,防护等级:IP54,使用寿命长。

      7. 体积小、重量轻、能量密度大,适合特定场合。

      8. 在整个速度范围内电机均高效运行,发电效率高。

      9.电机采用进口含油高速轴承,免维护、可靠性高,电机寿命长。

      10.可根据需要改变电机电压、转速、功率等参数,可改变电机外型、可采用花键轴伸、双轴伸、上下法兰盘等安装方式。

      发电机可采用多极结构,即使在很低的转速下也能发出较高频率的电压。发电机可做成六相输出,满足特殊用途。







    0571-87774297