E046冷凝监控器奥地利E+E原装正品
E046冷凝监控器奥地利E+E原装正品
产品价格:¥0(人民币)
  • 规格:完善
  • 发货地:本地至全国
  • 品牌:
  • 最小起订量:1件
  • 免费会员
    会员级别:试用会员
    认证类型:企业认证
    企业证件:通过认证

    商铺名称:东莞市巴菲特自动化设备有限公司

    联系人:吴翠霞(小姐)

    联系手机:

    固定电话:

    企业邮箱:2272520890@qq.com

    联系地址:东莞市南城区宏远大厦14楼13A11

    邮编:523000

    联系我时,请说是在口碑仪器网上看到的,谢谢!

    商品详情

      E046冷凝监控器奥地利E+E原装正品



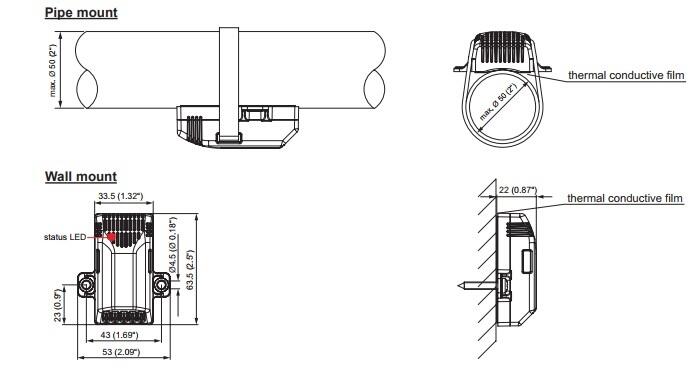
      东莞巴菲特自动化设备长期专业供应全系列产品,本公司以优良的服务和优质产品,在国际市场上赢得了良好的信誉,凭着多年经营经验熟悉并了解市场行情,赢得了国内外客户一致好评!巴菲特历经多年磨练,专业团队,用心服务!已成为众多全球500强及中国本土知名企业的重要合作伙伴,主要做液压,传感器,仪表,气动等,公司为德国伯恩斯坦的总代理。巴菲特愿时刻定位市场,检讨不足,力争高品质,力创完美生活!EE046冷凝监控器有助于防止冷却梁和其他关键冷点上的冷凝,适合安装在平面和管道上。直径50毫米(2英寸)。当靠近表面的空气的相对湿度(RH)达到100%RH时,在表面上发生冷凝。



      由于与表面的热耦合非常好,EE046可以精确测量表面温度下的空气相对湿度。在实际发生冷凝之前,继电器输出在接近冷凝条件时发出预警。它还表示电源故障或电缆损坏。状态LED指示正常操作,冷凝危险或电源故障。E + E专有涂层可保护湿度传感器免受灰尘和污垢的侵害。



      湿度传感器E + E HC105
        工作范围10 ... 100%RH
        在20°C(68°F),24 V AC / DC 90±3%RH下的阈值
       滞后
        t90变化时的响应时间<3分钟。
        表面温度
        t90变化时的响应时间<25秒。
        相对湿度
        具有转换触点的电输出电位自由继电器
      最大切换能力 24 V AC / DC,1A
        供电电压(III类)24 V AC / DC±20%
        24 V DC电源的电流消耗<6 mA
        <10 mA,用于24 V AC电源
        继电器状态指示LED,红色
        电气连接5极插入式端子,最大 1.5 mm2(AWG 16)
        保护传感器/电子设备E + E专有涂层/清漆
        房屋防护等级IP40
        外壳材料聚碳酸酯,UL94-V2认证
        电磁兼容性EN 61326-1 EN 61326-2-3
        工业环境
        温度范围操作0 ... 50°C(32 ... 122°F)
        储存-20 ... 70°C(-4 ... 158°F)
      重量约 60克

      主要特点:
      可靠地检测冷凝危险
      响应时间快
      E + E专有涂层防尘
      设计紧凑,安装方便
      LED状态指示


      典型应用:
      冷梁
      开关柜
      气候控制
    0571-87774297