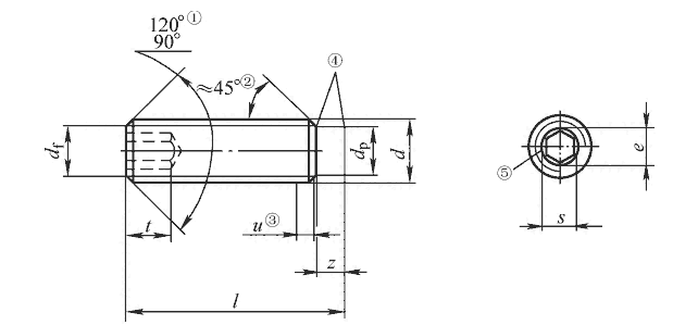
DIN915内六角圆柱端紧定螺钉
DIN915内六角圆柱端紧定螺钉
产品价格:¥0.065(人民币)
  • 规格:M6*12
  • 发货地:江苏盐城市
  • 品牌:
  • 最小起订量:1个
  • 免费会员
    会员级别:试用会员
    认证类型:企业认证
    企业证件:通过认证

    商铺名称:东台质品五金机械有限公司

    联系人:沈福东(先生)

    联系手机:

    固定电话:

    企业邮箱:dtzpwjjx@126.com

    联系地址:江苏省东台市溱东镇开庄工业区30号

    邮编:224212

    联系我时,请说是在口碑仪器网上看到的,谢谢!

    商品详情

      DIN915内六角圆柱端紧定螺钉,又称内六角顶丝,头部圆柱端,产品材质不锈钢304、316,合金钢等,产品规格从M2-M24,支持特殊材质加长产品定制,产品纸盒纸箱包装,可根据客户要求来包装。产品部分规格备有库存。产品广泛应用于电子设备,仪器仪表,医用设备,港口机械等。公司生产的紧固件常年出口国外,产品满足标准要求,满足机械性能,提供产品检测报告,原材料材质单等。公司生产的紧定有多种,包括DIN913内六角平端紧定螺钉,DIN914内六角尖端紧定螺钉,DIN916内六角凹端紧定螺钉,DIN551一字槽平端紧定螺钉等,常规规格备有库存,欢迎了解。

    0571-87774297