台湾恒望HW-345N 第四轴
台湾恒望HW-345N 第四轴
产品价格:¥面议(人民币)
  • 规格:HW-345N
  • 发货地:昆山
  • 品牌:
  • 最小起订量:1台
  • 诚信商家
    会员级别:钻石会员
    认证类型:企业认证
    企业证件:通过认证

    商铺名称:台湾恒望精密机械

    联系人:周经理(先生)

    联系手机:

    固定电话:

    企业邮箱:ichiseikizy@163.com

    联系地址:江苏省昆山市周商路1号

    邮编:215300

    联系我时,请说是在口碑仪器网上看到的,谢谢!

    商品详情





      型号

      单位

      数值

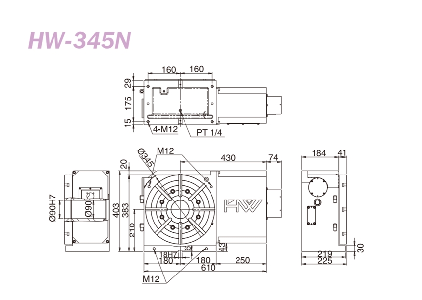
      工作台尺寸

      mm

      ?345

      盘面孔尺寸

      mm

      ? 90H7

      贯穿孔尺寸

      mm

      ? 90

      中心高

      mm

      230

      伺服马达

      发那克FANUC

      --

      β12is

      MITSUBISHI

      --

      HF-154S

      蜗轮容许扭矩

      N.m

      550

      锁紧方式:油压

      kg/cm2

      30-35

      盘面转速(电机2000rpm

      rpm

      11.1

      齿数比

      --

      180

      最小分度单位

      deg.

      0.001

      定位精度

      arc-sec

      15

      重复精度

      arc-sec

      4

      容许工件荷重

      kg

      180

      立式/加尾座

      kg

      400

      锁紧扭力

      N.m

      700

      净重(不含马达)

      kg

      180

    0571-87774297