HBM 公司简介
HBM 在全球拥有29个分公司和销售办公室,并在60多个国家设有代表处。在德国达姆斯塔特,美国的马尔伯勒,葡萄牙的波尔图以及中国的苏州设有研发和生产中心。
我们的高质量标准有目共睹: 1986, HBM 是德国首家获得 ISO9001 认证 的公司。1996, HBM 获得国际环境管理机构颁发的 ISO14001 认证。
"65 年来,HBM 测试和测量市场和技术一直深受客户信赖,从虚拟测试到真实的物理测量,HBM 可为多种行业测量应用提供产品和服务。
全球用户依赖 HBM 完美匹配的测量链,确保测量结果的极高准确性,对整个产品生命周期进行优化:从开发到测试,以及制造和生产。
HBM 产品范围涵盖传感器、应变片、放大器、数据采集系统以及用于结构耐久性测试和分析的软件。"
"扭矩传感器和转矩传感器
HBM 作为全球首家数字扭矩传感器的制造商,产品包括 扭矩传感器 (扭力传感器,转矩传感器), 以及用来测量反作用力的 非转动式 扭矩传感器 (扭力传感器)以及用于扭矩传感器 (扭力传感器) 的各种联轴器 和测量仪表。HBM 拥有 滑环和非接触式信号传输 专利技术,额定测量范围从 0.1 N·m 到 2 MN·m, 额定转速到40,000 rpm。
HBM 扭矩传感器一直在业界享有盛誉。从1958 年开始, HBM 扭矩传感器(扭力传感器,转矩传感器)一直是行业标准,广泛应用于发动机和零部件测试台架,生产监控和实验室扭矩标定。
DKD (德国校准服务机构) 的首家标定实验室 1977 在 HBM 成立。1990年7月13日,HBM 被 DKD 授予进行扭矩标定,多年以来, HBM 一直是德国唯一一家可进行 扭矩标定 服务的实验室,并负责制定国家标准.
T12,T40FM,T40,T40B 是新一代数字扭矩传感器。其采用特殊模数转化方法,不仅带有错误识别功能,对电磁环境不,并且具有更高的采样率和更高的精度。"
"T12HP 扭矩传感器: 精度,动态性能和分辨率
单个扭矩传感器, 多功能 – 只有 T12HP 可以做到。其卓越的基础精度保证了完整测量范围的高精度。采用了最新的 FlexRange? 技术,无需像其他所谓的双量程传感器那样切换量程。
非接触式传感器将数字信号调理的灵活性和载频放大器技术相结合,没有数据和精度损失。 T12HP 助手软件并支持 CAN 协议使参数配置更简单方便。
结合用于 EtherCAT的 TIM-EC 和 PROFINET TIM-PN 接口模块,扭矩和转速信号可以通过频率接口与尖端测试台系统集成,灵活且能够达到性能。
HBM 精度等级: 0.02
额定量程: 100 Nm 到 10 kNm"
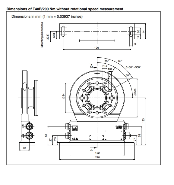
T40B 扭矩传感器:数字扭矩测量,额定扭矩 50 Nm 至 10 kNm
T40B 以高精度、再现性和鲁棒性而著称,非常适合用于静态和动态扭矩测量。包括滞后和高温稳定性,扭矩传感器具有 0.03% 的线性精度。可内置磁学转速测量系统,在传动系统中进行功率测量。非接触设计和数字信号传输确保了更高的安全性,并具有免维护特性。EtherCAT 的 TIM-EC接口模块和 PROFINET 的 TIM-PN 可将扭矩和转速信号与的测试台系统进行集成,确保获得的性能和高灵活性。
HBM 精度等级: 0.05
额定扭矩: 50 Nm 到 10 kNm


