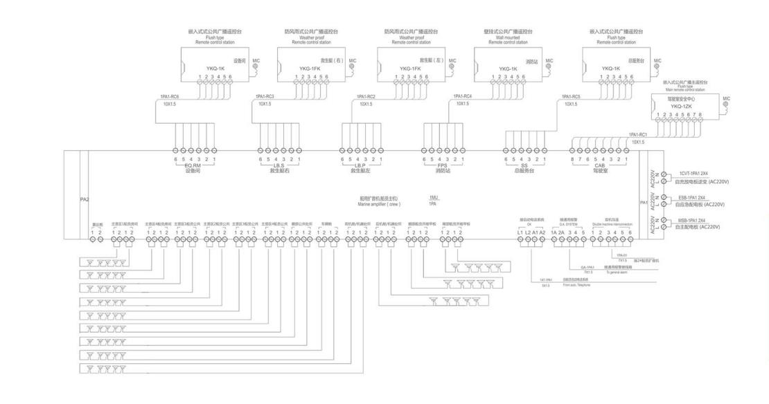
船用公共广播系统 /HTX-1玻璃钢天线(1.2m)
船用公共广播系统 /HTX-1玻璃钢天线(1.2m)
产品价格:¥电议(人民币)
  • 规格:完善
  • 发货地:江苏盐城市
  • 品牌:
  • 最小起订量:1套
  • 诚信商家
    会员级别:钻石会员
    认证类型:企业认证
    企业证件:通过认证

    商铺名称:东台市泽润船用设备有限公司

    联系人:施经理(先生)

    联系手机:

    固定电话:

    企业邮箱:635723419@qq.com

    联系地址:东台市新街镇新角路53号

    邮编:224234

    联系我时,请说是在口碑仪器网上看到的,谢谢!

    商品详情
    0571-87774297