ZPD-02A电-气阀门定位器
ZPD-02A电-气阀门定位器
产品价格:¥0(人民币)
  • 规格:
  • 发货地:上海
  • 品牌:
  • 最小起订量:1只
  • 诚信商家
    会员级别:钻石会员
    认证类型:企业认证
    企业证件:通过认证

    商铺名称:上海自动化仪表有限公司商城

    联系人:费经理(先生)

    联系手机:

    固定电话:

    企业邮箱:shziyigf@163.com

    联系地址:广中西路191号

    邮编:200072

    联系我时,请说是在口碑仪器网上看到的,谢谢!

    商品详情

           ZPD-02A电一气阀门定位器是与气动调节阀(薄膜式或活塞式)配套使用的产品。它接受调节仪表给出的电信号,输出气压信号控制调节阀的行程。定位器能改善气动调节阀的工作特性,克服阀杆摩擦力和由于被调介质压力变化引起的阀芯不平衡力,从而使阀门位置跟调节仪表的控制信号按比例变化,实现正确定位。此外,阀门定位器还具有下列用途:

      1.提高气动调节阀动作速度。

      2.可改变气动调节阀作用方式。

      3.能实现分程操作。

      4.可操作各种弹簧压力范围的气动调节阀。

      5.可配各种角行程调节阀。

       

      一、主要技术参数和性能

      1.产品企业标准代号:Q/XBM632

      2技术参数

      型号

      ZPD01AB

      ZPD02AB

      输入信号(Ma DC

      标准信号:0~10

      分段信号:0~55~10

       

      气源压力MP

      0.140.26

      0.350.55

      所配执行机构

      气动薄膜式

      活塞式

      行程范围

      直行程:1060mm,(100mm作特殊订货)

      角行程:50°,70°,75°,90°

       

      输出作用方式

      单作用

      双作用

      输出特性

      直线

      输入阻抗

      1.2KΩ

      绝缘电阻

      20MΩ

      防爆级别

      eT6

      环境温度

      2555

      相对湿度

      5%100%

      电缆接头螺纹

      M18×1.5

      基本误差%

      ≤±1

      ≤±1.5

      回差%

      1

      1.5

      死区%

      0.4

      0.6

      耗气量L/

      <1500(气源压力140kpa)

      <3600(气源压力500kpa)

       

      二、产品型号编制说明

      ZPD-01A电-气阀门定位器编制说明

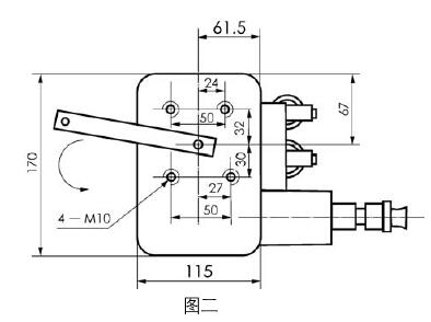
      三、外形尺寸、安装方式

      1.外形尺寸(见图一、单位mm

      ZPD-01A电-气阀门定位器外形尺寸

      2.安装方式

      ZMA/B-2~ZMA/B6气动薄膜执行机构配用时,利用连接板上水平方向的二个中11的孔(见图一)。用二只M10 x 20螺钉拧入执行机构正面的专用螺孔,固定定位器。如与其他执行叽构相配,则使用安装螺孔4-M10(见图二)。图示尺寸单位为mm

      ZPD-01A电-气阀门定位器安装方式

      蒸汽孔板流量计热电偶分体式电磁流量计磁性液位计流量计智能雷达液位计智能差压变送器磁翻板液位计蒸汽流量计
    0571-87774297