YTP-60卫生型隔膜压力表
YTP-60卫生型隔膜压力表
产品价格:¥90(人民币)
  • 规格:0-1.6Mpa
  • 发货地:上海
  • 品牌:
  • 最小起订量:1只
  • 免费会员
    会员级别:试用会员
    认证类型:未认证
    企业证件:未通过
    认证信息:未认证

    商铺名称:上海煜美仪器仪表有限公司

    联系人:徐路永(先生)

    联系手机:

    固定电话:

    企业邮箱:478978598@qq.com

    联系地址:上海市奉贤区大叶公路118号

    邮编:325604

    联系我时,请说是在口碑仪器网上看到的,谢谢!

    商品详情

      1 一、概述

        卫生型隔膜压力表是由通用型压力仪表与隔膜隔离器组成一个系统的隔膜压力表。具有在工艺现场装拆快捷方便、不易污染、容易清洗、安全可靠的安全等优点。能满足药品生产质量规范(GMP)的要求。在制药、食品、饮水、水处理等行业对仪表有卫生要求的工艺流程中得到广泛应用。

      2 二、主要技术参数

        ◆测量范围及型号标示
      型 号 形式 量程上限值 (MPa)
      配抗振压力表 配不锈钢压力表
      Y-60A-Z/Z/MC Y-60B/Z/MC MC 卡箍式 0.6~2.5(法兰1 1/2)
      Y-100A-Z/Z/MC Y-100B/Z/MC 0.4~2.5(法兰2)
      Y-100A-Z/Z/MN Y-100B/Z/MN MN 螺母式 0.4~2.5
      Y-100A-Z/Z/MH Y-100B/Z/MH MH 矩形法兰式(均质机用) 10~60
       注: 1.用户也可选用其它通用型压力表,订购时同本公司协商。
      2.压力表同隔膜装置连接方式也可选用其它形式,订货时同本公司协商。
      ◆隔膜表的耐蚀性
      隔膜表的耐蚀性可通过合适的选择与测量介质接触部分的隔膜、法兰及密封圈的材料来保证。
      隔膜材料:316、316L
      法兰材料:316、316L
      密封因材料:硅橡胶、聚四氟乙烯
      ◆密封液的选择
      为了保证卫生型隔膜表使用的可靠性和安全性,根据不同用途,选择合适的密封液。
      密封液 受压部温度范围℃ 比重 体膨胀
      甘油水溶液 -5~100 1.27 0.61×10-3
      丙二醇 -30~160 1.04 0.70×10-3
      植物油 -5~100 1.93 1.03×10-3

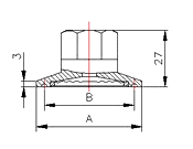
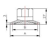
      3 三、隔膜装置法兰尺寸 

        ◆卡箍式隔膜隔离器[代号MC]卫生型隔膜压力表卫生型隔膜压力表
      法兰尺寸 A B
      11/2 43.5 50.5
      2 56.5 64.0
       自选件(符合ISO--2852标准)
      1.卡箍11/2、2
      2.管接头11/2、2
      3.密封圈(材料为硅橡胶、聚四氟乙烯)
    0571-87774297