DELTA仪器钨灯丝台式扫描电镜台式扫描电子显微镜台式电子镜
DELTA仪器钨灯丝台式扫描电镜台式扫描电子显微镜台式电子镜
产品价格:¥8000.00(人民币)
  • 规格:完善
  • 发货地:广东东莞
  • 品牌:
  • 最小起订量:1
  • 诚信商家
    会员级别:钻石会员
    认证类型:企业认证
    企业证件:通过认证

    商铺名称:东莞市高升电子精密科技有限公司

    联系人:张继高(先生)

    联系手机:

    固定电话:

    企业邮箱:gaoshengkeji@163.com

    联系地址:广东省东莞市大朗镇松柏朗新园一路6号2栋101室

    邮编:523770

    联系我时,请说是在口碑仪器网上看到的,谢谢!

    商品详情
      产品参数
      品牌DELTA仪器
      加速电压1-15kV
      放大倍数150000倍
      信号采集带宽10m
      抽真空时间<90秒
      聚焦方式自动/手动
      可售卖地全国
      型号ZEM15

      台式扫描电子显微镜与传统大型(落地式)扫描电子显微镜相比,台式扫描电镜具有体积小巧、操作简便、价格便宜、快速抽真空等优势,台式扫描电子显微镜分辨力能满足多数材料的显微(微米,甚至纳米级别)观察。台式扫描电子显微镜填补了光学显微镜与传统大型扫描电子显微镜之间的分辨率空白区域,可广泛应用于材料科学、纳米颗粒、生物医学、法医鉴定、食品药品、纺织纤维、地质科学等诸多领域。


      台式扫描电子显微镜ZEM15,台式扫描电镜速度快,信号采集带宽10M,可以在视频模式下流畅实时的显示样品。只需鼠标就可完成所有操作,不需对中光阑等复杂步骤,聚焦消像散后可直接拍图。

      主机集成高压及控制系统,体积小巧,便于移动,可出差携带,安装无需特殊环境,只需找一张桌子,供电就可工作。


      主要技术参数:

      台式扫描电镜产品参数

      环境要求

      220V,50Hz,1kW,无需减震台

      加速电压

      1kV~15kV连续可调,1kV步进

      电子qiang

      预对中钨灯丝,一体式聚光镜,无需手动调节物镜光

      阑(LaB6灯丝可选)

      放大倍数

      150000倍

      探测器

      二次电子探测器、可推出式背散射探测器、集成式能谱仪

      样品台

      XY电动样品台(五轴可选)、移动行程:30mmx30mm

      z大样品尺寸

      φ50x35(H)mm

      高真空模式

      全自动控制,抽真空时间小于2分钟

      成像模式

      视频模式:512x512像素,无需小窗口扫描
      快速模式:扫描时间小于3秒,512x512像素
      慢扫模式:扫描时间小于40秒,2048x2048像素
      图像格式:BMP,TIFF,JPEG,PNG

      导航功能

      光学CCD导航(非电子图像导航)

      自动功能

      一键自动配置亮度、对比度、聚焦

      整机尺寸

      主机:283*553*505(mm)

      机械泵:340*160*140(mm)

      拓展功能

      兼容多种原位功能样品台



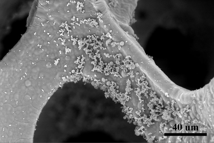
      案例细节图:



      掺铝四钴




      电极箔截面




      多孔氮化硼陶瓷表面氢氧化物附着



      聚丙乙烯微球




      聚偏氟乙烯




      滤纸




      泡沫镍基底



      三元正极


      钛金属




      碳材料


      <

    0571-87774297