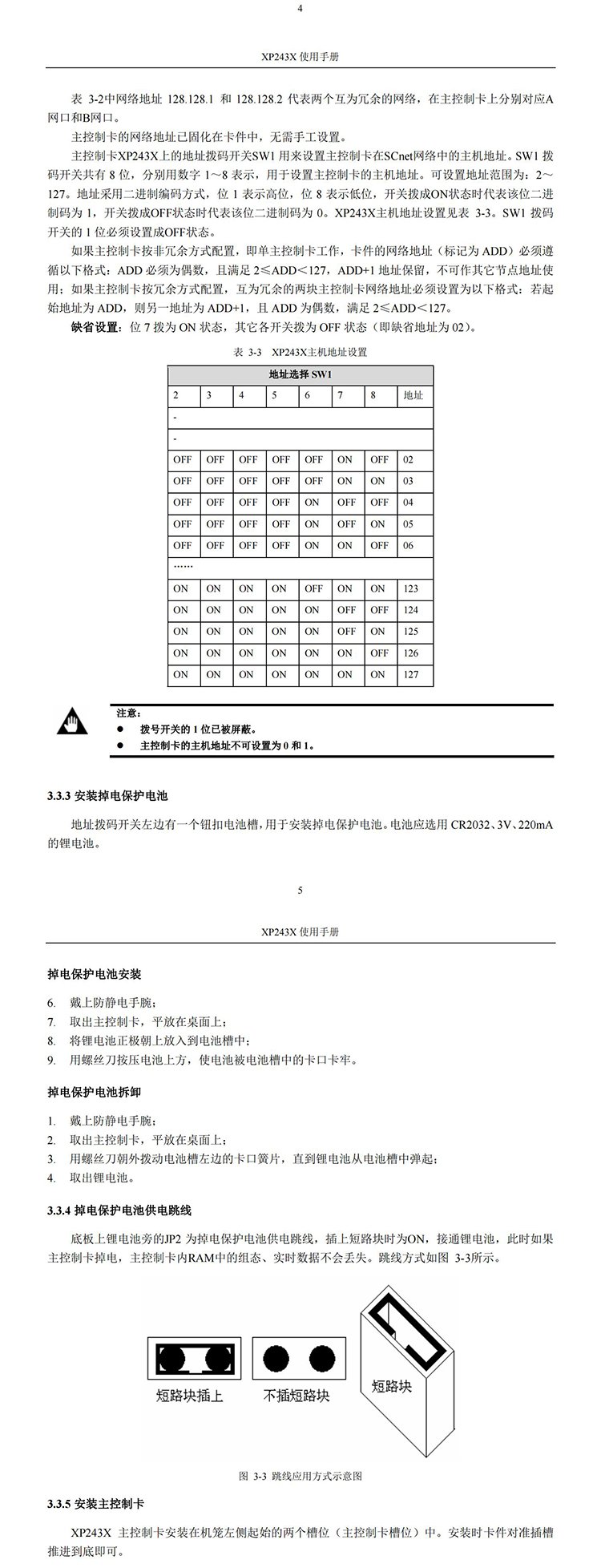
浙大中控数据转发卡XP233DCS卡件功能强厂家直营
浙大中控数据转发卡XP233DCS卡件功能强厂家直营
产品价格:¥100.00(人民币)
  • 规格:完善
  • 发货地:山东青岛
  • 品牌:
  • 最小起订量:1
  • 免费会员
    会员级别:试用会员
    认证类型:企业认证
    企业证件:通过认证

    商铺名称:青岛元恒自动化科技有限公司

    联系人:张慧(小姐)

    联系手机:

    固定电话:

    企业邮箱:

    联系地址:

    邮编:

    联系我时,请说是在口碑仪器网上看到的,谢谢!

    商品详情
      产品参数
      品牌浙大中控
      加工定制
      特点功能强、速度快
      发货地青岛
      使用范围通用
      优势单站容量大
      新旧程度全新
      可售卖地全国
      类型数据转发卡
      型号XP233
      货号001

















    0571-87774297