低压交流HPT225HN微型电流型电压互感器电力计量表互感器低至3元
低压交流HPT225HN微型电流型电压互感器电力计量表互感器低至3元
产品价格:¥7.80(人民币)
  • 规格:完善
  • 发货地:河南安阳
  • 品牌:
  • 最小起订量:1
  • 免费会员
    会员级别:试用会员
    认证类型:企业认证
    企业证件:通过认证

    商铺名称:北京霍远科技有限公司

    联系人:(小姐)

    联系手机:

    固定电话:

    企业邮箱:2682745228@qq.com

    联系地址:

    邮编:

    联系我时,请说是在口碑仪器网上看到的,谢谢!

    商品详情
      产品参数
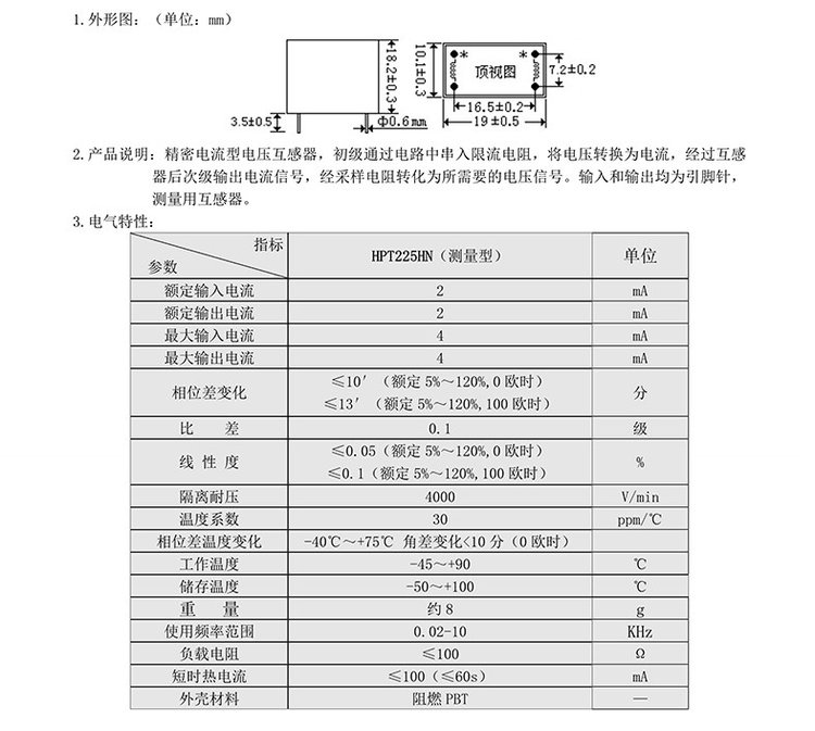
      品牌霍远
      变比2mA:2mA
      线性度0.05
      外壳材质PC
      比差0.1级
      额定角差≤30分
      最大输入电流4mA
      最大输出电流4mA
      使用频率范围0.02-10KHz
      工作温度-45~ 90℃
      负载电阻≤100Ω
      ..
      ....
      可售卖地北京;天津;河北;山西;内蒙古;辽宁;吉林;黑龙江;上海;江苏;浙江;安徽;福建;江西;山东;河南;湖北;湖南;广东;广西;海南;重庆;四川;贵州;云南;西藏;陕西;甘肃;青海;宁夏;新疆
      类型电流互感器
      型号HPT225HN








    0571-87774297