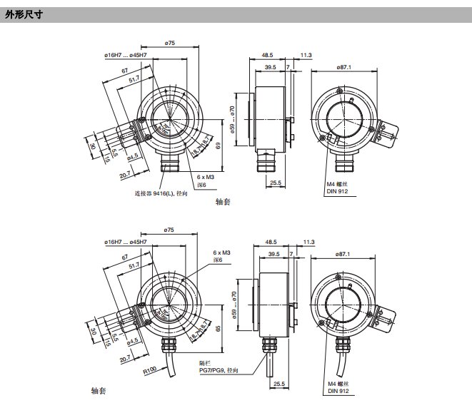
倍加福绝对值编码器ENA58PL-S10CA5-1213B17-RH2
倍加福绝对值编码器ENA58PL-S10CA5-1213B17-RH2
产品价格:¥5000.00(人民币)
  • 规格:完善
  • 发货地:上海上海
  • 品牌:
  • 最小起订量:1
  • 免费会员
    会员级别:试用会员
    认证类型:企业认证
    企业证件:通过认证

    商铺名称:上海切尔思自动化设备有限公司

    联系人:吴江(先生)

    联系手机:

    固定电话:

    企业邮箱:1977929645@qq.com

    联系地址:上海市奉贤区星火开发区莲塘路251号8幢

    邮编:

    联系我时,请说是在口碑仪器网上看到的,谢谢!

    商品详情
      产品参数
      品牌倍加福
      防护等级ip65
      工作温度70℃
      分辨率1024
      脉冲数或分辨率1024
      外径90mm
      连接方式插头
      最高转速1024
      颜色分类银色
      壳架代号11
      旋转寿命1111
      可售卖地北京;天津;河北;山西;内蒙古;辽宁;吉林;黑龙江;上海;江苏;浙江;安徽;福建;江西;山东;河南;湖北;湖南;广东;广西;海南;重庆;四川;贵州;云南;西藏;陕西;甘肃;青海;宁夏;新疆




    0571-87774297