徽力智LZ-ZLCKF200系列穿轴式张力传感器测量精度高稳定性好
徽力智LZ-ZLCKF200系列穿轴式张力传感器测量精度高稳定性好
产品价格:¥1600(人民币)
  • 规格:LZ-ZLCKF200
  • 发货地:安徽合肥市
  • 品牌:
  • 最小起订量:1件
  • 免费会员
    会员级别:试用会员
    认证类型:企业认证
    企业证件:通过认证

    商铺名称:合肥力智传感器系统有限公司

    联系人:王思文(先生)

    联系手机:

    固定电话:

    企业邮箱:2298614949@qq.com

    联系地址:合肥市包河区南二环199号信达好第坊6幢2301

    邮编:230001

    联系我时,请说是在口碑仪器网上看到的,谢谢!

    商品详情

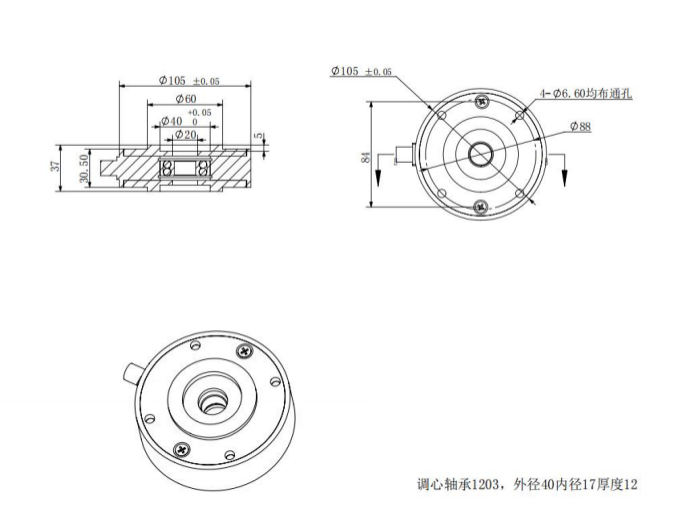
      LZ系列张力传感器拥有高级别的测量精度,工作可靠,长期稳定性好。采用合金钢或不锈钢材料加工制造,测力范围内保持标称测量精度 ,张力应变片与基体粘结强度高。

      每个传感器出厂时均经过性能测试,可满足所有需要对运动带材进行精确测量的应用场合。

        

       ● 功能描述    

       LZ系列张力传感器是将活动轴的轴承与传感器结合在一起,这样可节省传感器的安装空间,可以任何角度安装在设备本体上或专门配置的安装支架上。传感器外表面上有一个指示测力轴方向的方向箭头点。由于传感器采用高精度的设计方案,当带材张力较低而张力辊自重大时仍能保持较高的测量精度。

      ● 测量原理

      传感器内部的箔式应变计按惠斯特电桥方式连接在一起组成测量电路,执行实际的张力测量。待测张力通过张力辊轴承作用到测量片上,测量应变片背对背地布置在两个平行面上,这样的机构可确保最高的测量精度和输出信号。

       

      技术参数:

      信号灵敏度

      2.0 mV/V ± 0.2%

      精度级别

      ± 0.2%

      温度系数

      ± 0.1 % / 10 K

      温度范围

      -10 .. +60℃

      输入阻抗

      350欧姆/全桥

      桥路电压

      5-12 VDC

      过载能力

      1.2倍额定量程

         

      不锈钢 42CRMONI   铝合金

    0571-87774297