XJZ-1一体式张力变送器
XJZ-1一体式张力变送器
产品价格:¥320.00(人民币)
  • 规格:完善
  • 发货地:陕西西安
  • 品牌:
  • 最小起订量:1
  • 免费会员
    会员级别:试用会员
    认证类型:企业认证
    企业证件:通过认证

    商铺名称:西安新敏电子科技有限公司

    联系人:西安新敏电子(小姐)

    联系手机:

    固定电话:

    企业邮箱:1286668103@qq.com

    联系地址:

    邮编:

    联系我时,请说是在口碑仪器网上看到的,谢谢!

    商品详情
      产品参数
      品牌新敏电子
      量程10kN~200kN
      输入阻抗750±15Ω
      灵敏度1.0~1.5mV/V
      输出阻抗700±5Ω
      综合精度0.3F.S
      绝缘电阻>5000MΩ
      蠕变±0.05分/30分
      供桥电压建议10VDC
      可售卖地全国

      一、产品简介

      精度高,性能稳定。适用于钢丝绳张力的长期测量与监控。

      二、技术指标:

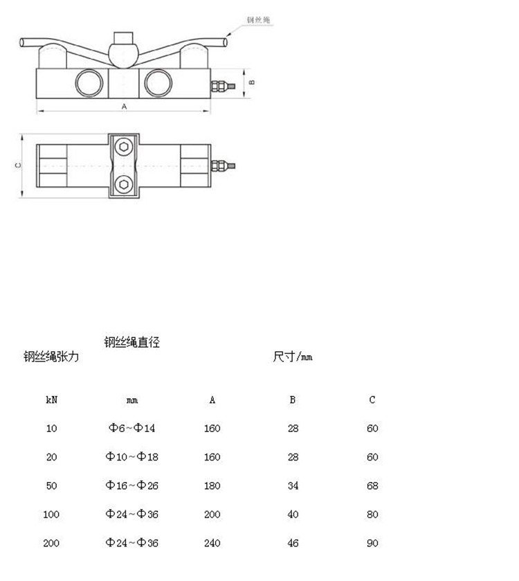
      三、外形尺寸:

      ?

    0571-87774297