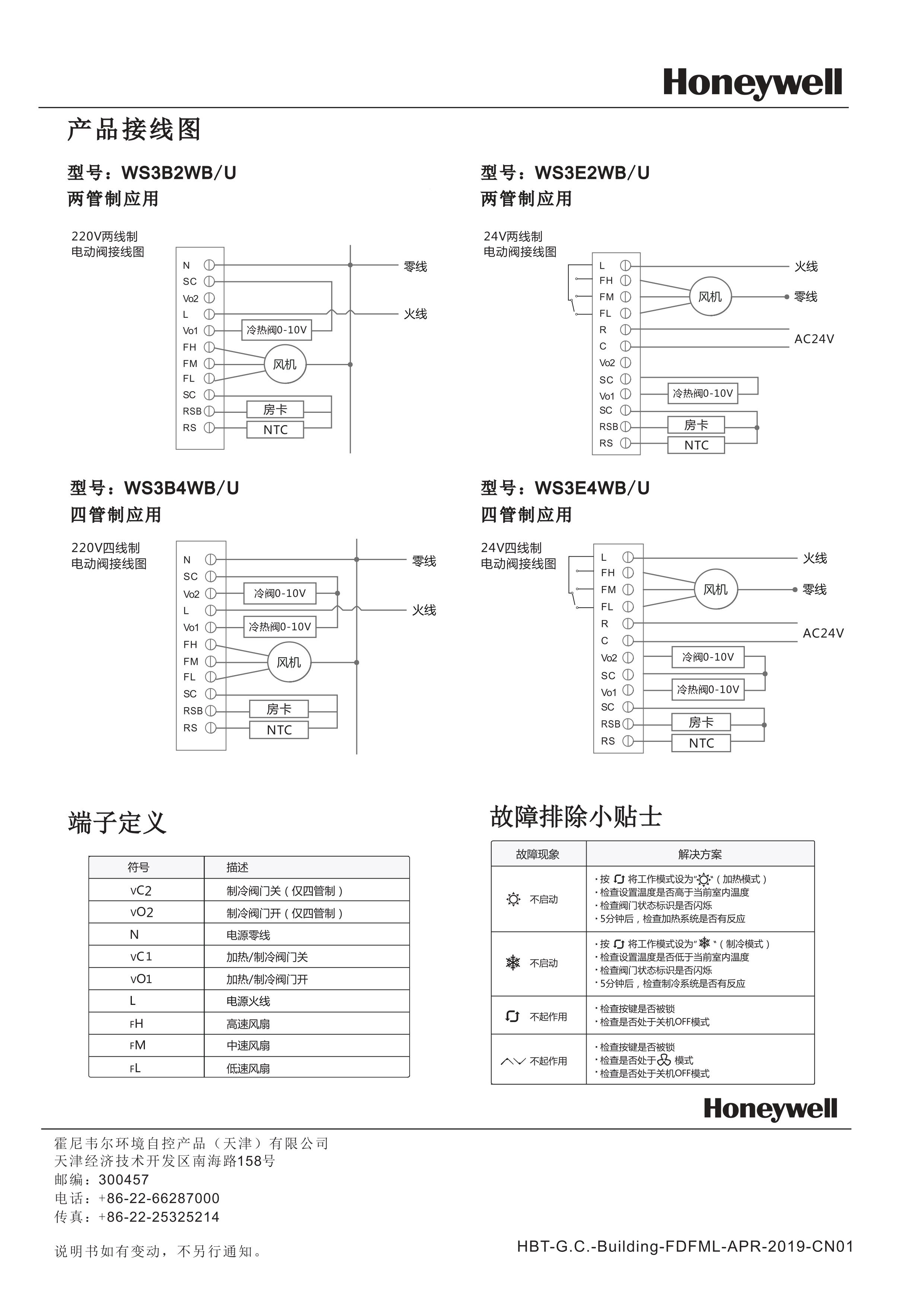
WS3E2WB\/U霍尼韦尔温控器Honeywell房间温控面板配套风盘二通阀
WS3E2WB\/U霍尼韦尔温控器Honeywell房间温控面板配套风盘二通阀
产品价格:¥10.50(人民币)
  • 规格:WL8B2WB\/B
  • 发货地:山东济南
  • 品牌:
  • 最小起订量:1
  • 免费会员
    会员级别:试用会员
    认证类型:企业认证
    企业证件:通过认证

    商铺名称:山东省斯丹达智能科技有限公司

    联系人:张晓丹(小姐)

    联系手机:

    固定电话:

    企业邮箱:2114826434@qq.com

    联系地址:山东省济南市高新区正丰路554号1号科研楼209

    邮编:250000

    联系我时,请说是在口碑仪器网上看到的,谢谢!

    商品详情
      产品参数
      WS3E2WB/U霍尼韦尔温控器 Honeywell房间温控面板配套风盘二通阀 是否支持加工定制
      是否进口
      安装方式墙面
      表面直径1cm
      测量误差2
      分辨率1mm
      工作电压AC 220V
      输出信号详见内容
      型号WS3E2WB/U
      重量1kg
      加工定制
      开孔尺寸86
      安装型式86
      外形尺寸1
      数量100
      配套型号VS9风机盘管二通阀
      品牌霍尼韦尔






    0571-87774297