高精度宾格网拉伸夹具,确保准确测试和高效施工纵驰测控
高精度宾格网拉伸夹具,确保准确测试和高效施工纵驰测控
产品价格:¥2830.00(人民币)
  • 规格:宽度1000mm
  • 发货地:山东济南
  • 品牌:
  • 最小起订量:1
  • 免费会员
    会员级别:试用会员
    认证类型:企业认证
    企业证件:通过认证

    商铺名称:济南纵驰测控设备有限公司

    联系人:(先生)

    联系手机:

    固定电话:

    企业邮箱:zongchicekong@163.com

    联系地址:济南市槐荫区民营工业园

    邮编:250101

    联系我时,请说是在口碑仪器网上看到的,谢谢!

    商品详情
      产品参数
      包装方式优质木箱
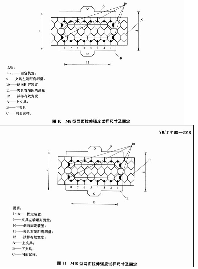
      用途宾格网网面拉伸强度和翻边强度测试
      产地济南
      供应范围全国
      货期现货
      运输方式快递
      加工定做支持
      支持范围M6M8M10
      标准YBT_4190
      品牌纵驰测控

      标题:宾格网拉伸试验夹具|柔性宾格网/钢丝网1000mm拉伸夹具|YBT_4190夹具
      关键词:宾格网拉伸试验夹具








      描述:主要用于宾格网剪切,铅丝网拉断力,镀锌铁丝网扯断力等试验.配合拉力试验机使用,
      主要检测抗拉强度,断后伸长率,镀层量,铝合金四个参数





      (1)抗拉强度、断后伸长率
      1.1原理
      试验系用拉伸测试机将试样拉伸,拉至网片中网丝断裂,以便测定网片的力学性能。以断第一根丝时的拉力,作为网片的抗拉强度。
      1.2试样
      取编织好的网片面积为0.5m×0.5m或1m×1m的网片。
      1.3试样尺寸的测量
      用卷尺和游标卡尺分别测量网片的网孔大小和网丝、边丝的丝径。用卷尺测量网片受拉部分的长度以及式样的初始尺寸。
      本文涉及标准:YBT_4190-2018_工程用机编钢丝网及组合体

    0571-87774297