国产S50双激光0-1800℃在线式高温红外测温仪带就地显示
国产S50双激光0-1800℃在线式高温红外测温仪带就地显示
产品价格:¥5000.00(人民币)
  • 规格:完善
  • 发货地:上海上海
  • 品牌:
  • 最小起订量:1
  • 诚信商家
    会员级别:标准会员
    认证类型:企业认证
    企业证件:通过认证

    商铺名称:上海诺丞仪器仪表有限公司

    联系人:李化雷(先生)

    联系手机:

    固定电话:

    企业邮箱:info@nuocheng17.com

    联系地址:上海市普陀区中山北路2299弄

    邮编:200061

    联系我时,请说是在口碑仪器网上看到的,谢谢!

    商品详情
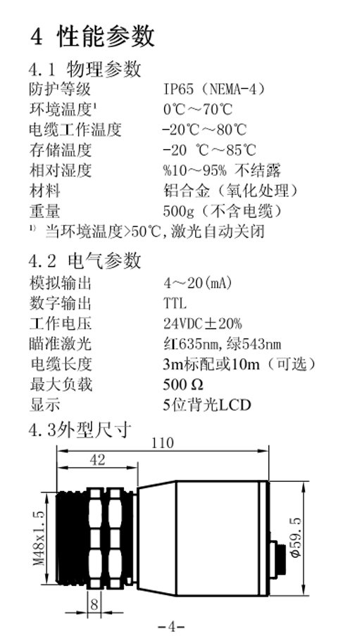
      产品参数
      品牌欧普士
      是否支持加工定制
      安装方式固定式安装
      标称阻值500欧
      材料铝合金
      测量范围0-1800℃
      测温分辨率0.1
      测温精度±0.5
      电源24
      精度±0.5
      距离系数3001
      示值误差2
      适用介质工业测温
      输出信号4-20mA
      温度范围1800
      显示方式就地显示
      颜色黑色
      允许偏差±0.5
      重量0.5
      装箱数1
      可售卖地全国












    0571-87774297