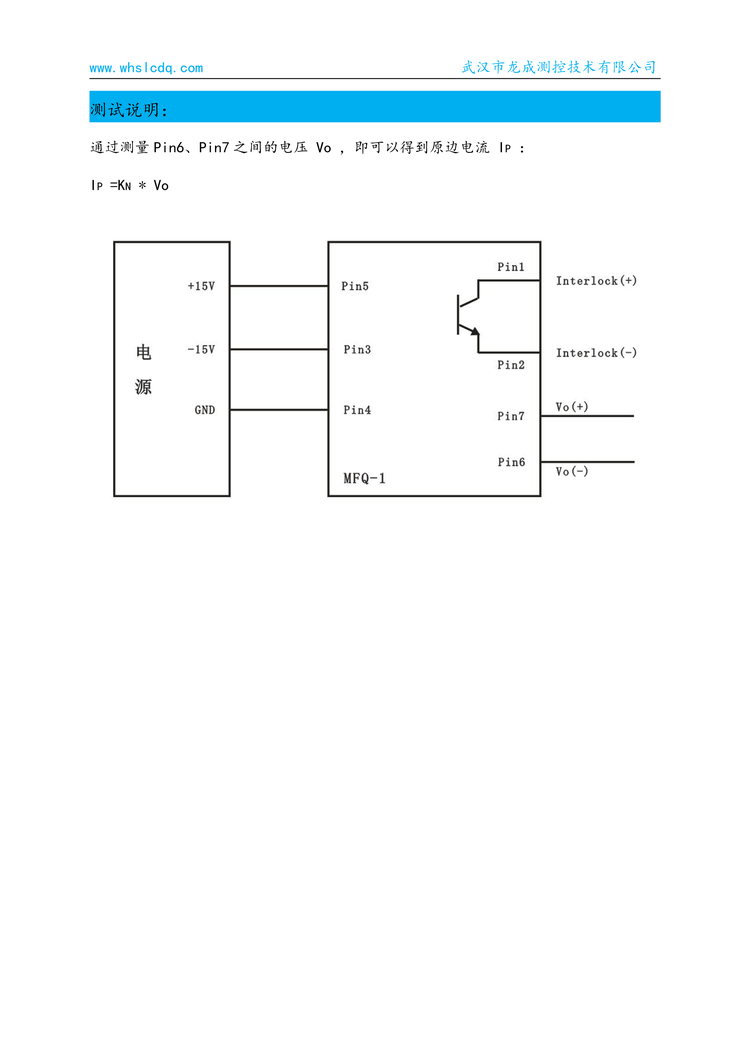
MFQ-1型模拟分流器1000A电流采用零磁通技术
MFQ-1型模拟分流器1000A电流采用零磁通技术
产品价格:¥111.00(人民币)
  • 规格:完善
  • 发货地:湖北武汉
  • 品牌:
  • 最小起订量:1
  • 免费会员
    会员级别:试用会员
    认证类型:企业认证
    企业证件:通过认证

    商铺名称:武汉市龙成测控技术有限公司

    联系人:王高竹(小姐)

    联系手机:

    固定电话:

    企业邮箱:15342978410@163.com

    联系地址:武汉市东湖开发区武大科技园航域A7

    邮编:430223

    联系我时,请说是在口碑仪器网上看到的,谢谢!

    商品详情
      产品参数
      品牌武汉龙成
      是否进口
      电工电器设备名称分流器
      精度量程1000A,±(0.01×读数 0.002×量程)
      特色服务可按参数提供定制
      加工定制
      应用1计量检测
      应用2电流测量
      应用3仪器仪表
      应用4电力控制、新能源
      特点零磁通技术
      可售卖地北京;天津;河北;山西;内蒙古;辽宁;吉林;黑龙江;上海;江苏;浙江;安徽;福建;江西;山东;河南;湖北;湖南;广东;广西;海南;重庆;四川;贵州;云南;西藏;陕西;甘肃;青海;宁夏;新疆











    0571-87774297