压力表校准仪 仪器校准公司 压力表检定仪
压力表校准仪 仪器校准公司 压力表检定仪
产品价格:¥12000(人民币)
  • 规格:完善
  • 发货地:本地至全国
  • 品牌:
  • 最小起订量:1件
  • 诚信商家
    会员级别:标准会员
    认证类型:企业认证
    企业证件:通过认证

    商铺名称:济南赛思特流体系统设备有限公司

    联系人:姜心刚(先生)

    联系手机:

    固定电话:

    企业邮箱:18660116013@163.com

    联系地址:济南市历城区工业北路182-27号

    邮编:250000

    联系我时,请说是在口碑仪器网上看到的,谢谢!

    商品详情

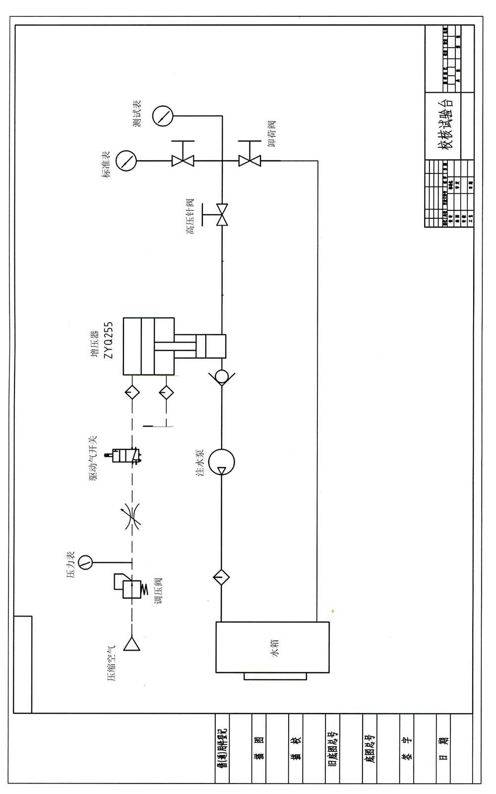
      压力表校验台技术方案

      赛思特压力表校验台是按照国家对压力表、压力变送器等校验测试标准,结合实际工况条件进行设计、制造、试验的校验台,用于对压力表进行耐压校准,考核准确度、合格率。

      一、  设备主要技术参数及性能指标

      序号

      项目要求

      性能指标

      备注

      1. 

      被试对象

      压力表

       

      2. 

      相关标准

      国标

      3. 

      功能

      校验

       

      4. 

      试验介质

      水、液压油或其他约定介质

       

      5. 

      测试压力

      液体0-60MPa

      压力无极调节

      6. 

      介质温度

      常温

       

      7. 

      试验工位

      1工位

       

      8. 

      驱动空气:

      ≤8bar

       

       

      二.原理

      压力表校验台采用气液增压器为压力源:它是使用压缩空气为动力源,输出液压力与驱动气源压力成比例。通过对驱动气源压力的调整,便能得到相应的液压力。根据被试件的不同压力,调整驱动气体压力,气液增压器产生高压液体,经过压力控制系统,由高压管路输送给试样件中,进行压力校对。

      12
      装配校验_(5)


      三.结构组成、功能:

      1.压力表校验台由增压系统与操作台面成,增压系统采用气液增压器,针对不同的被测件,选择操作不同的气液增压器进行增压试验。

      2.该设备选用:

      气液增压器G100:增压比60:1;增压介质:水或液压油;驱动气压0.1-0.8MPa;输出压力0-48MPa;

      3.采用精密调压阀控制压缩气源,气源控制增压器输出压力,慢速精确升压。试验完毕,试验箱卸荷,试验介质可通过过滤器流回试验液箱,保证液体循环利用以及设备的洁净。

       

      公司生产的主要产品有气动增压泵(气体/液体/冷媒)、气瓶检测设备(车载CNG钢瓶/低温绝热钢瓶/无缝钢瓶/消防气瓶/呼吸气瓶/液化气钢瓶)、气动增压系统设备、爆破耐压试验台、压力脉冲试验台、外测法水压试验机、气密性测试设备、汽车油改气检测设备、安全阀校验台、液压胀管机、高压稳压设备、中高压增压机、矿山开采设备、CO2充装设备、压力和流量测试设备等各种非标流体控制系统设备。如需方案或了解详情可致电15550403444或QQ1873283323咨询。

       

    0571-87774297