赛思特船舶蓄压器用氮气增压设备
赛思特船舶蓄压器用氮气增压设备
产品价格:¥1000(人民币)
  • 规格:完善
  • 发货地:本地至全国
  • 品牌:
  • 最小起订量:1件
  • 诚信商家
    会员级别:标准会员
    认证类型:企业认证
    企业证件:通过认证

    商铺名称:济南赛思特流体系统设备有限公司

    联系人:姜心刚(先生)

    联系手机:

    固定电话:

    企业邮箱:18660116013@163.com

    联系地址:济南市历城区工业北路182-27号

    邮编:250000

    联系我时,请说是在口碑仪器网上看到的,谢谢!

    商品详情
      赛思特公司依靠多年的技术积累,设计并制造了空气增压泵、气体增压泵、气液增压泵、气动增压设备、爆破耐压试验台、压力检测设备、油改气检测设备、气瓶检测线、铆接设备以及各种非标流体控制系统等产品,已成功应用于各行业,同时也可应用于防爆领域。

      船舶蓄压器用氮气增压设备

      船舶用氮气增压器

       (一)、设备名称:

      船舶用氮气增压器

      (二)、设备型号:GBS-STD25

      (三)、设备用途:用于气体增压/气体充装/气密性检测

      (四)、设备说明:

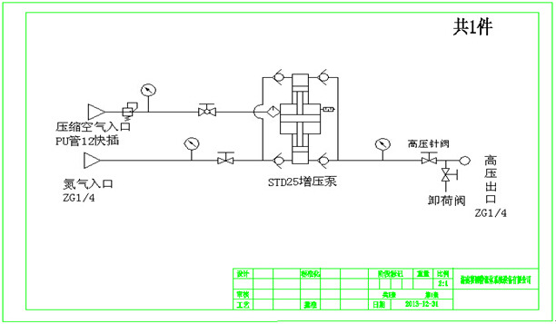
      采用SHINEEAST气动增压泵STD25,能自动保压、补压,提高了设备的稳定性和可靠性,采用压缩空气驱动,安全防爆,噪音低。

      (五)主要技术性能指标:

      1> 设备名称:船舶用氮气增压器

      2> 设备型号:GBS-STD25

      3> 驱动空气压力:0.3Mpa≤P≤1Mpa;耗气量:1.0m?/min

      4> 输出压力:1.0Mpa-20.0M 压力可调

      5> 增压方式:单级双作用增压

      6> 可同时充装容器:1工位

      7> 增压操作方式:手动

      8>输出压力调节方式:手动设定压缩空气压力,自动停止,自动保压补压

      9> 增压介质:瓶装氮气

      10> 环境温度:室温

      11> 设备外形图:见原理图

      undefined

       

      技术标准:全部产品按国家相关标准生产制造,符合相关质量技术标准。

       

      技术参数:气体增压泵STD25,驱动气压3-8bar,氮气***小入口压力10bar。输出压力可达200bar。输出流量154L/min。入口尺寸NPT1/4,驱动口G 1/2,出口尺寸NPT1/4压力达到预设值时自动停止工作,不足压力值时自动启动,增压压力无级可调,输出压力稳定可靠。

      操作面板解析

      undefined

      设备外形图

      气体增压2
       
      公司生产的主要产品有气动增压泵(气体/液体/冷媒)、气瓶检测设备(车载CNG钢瓶/低温绝热钢瓶/无缝钢瓶/消防气瓶/呼吸气瓶/液化气钢瓶)、气动增压系统设备、爆破耐压试验台、压力脉冲试验台、外测法水压试验机、气密性测试设备、汽车油改气检测设备、安全阀校验台、液压胀管机、高压稳压设备、中高压增压机、矿山开采设备、CO2充装设备、压力和流量测试设备等各种非标流体控制系统设备。如需方案或了解详情可致电15550403444或QQ1873283323咨询。
       
    0571-87774297