LEEG上海立格SPH19D单晶硅小差压传感器
LEEG上海立格SPH19D单晶硅小差压传感器
产品价格:(人民币)
  • 规格:SPH19D
  • 发货地:上海闵行区
  • 品牌:
  • 最小起订量:1台
  • 免费会员
    会员级别:试用会员
    认证类型:企业认证
    企业证件:通过认证

    商铺名称:上海立格仪表有限公司

    联系人:肖肖(小姐)

    联系手机:

    固定电话:

    企业邮箱:2880189597@qq.com

    联系地址:上海市闵行区都会路99号

    邮编:201109

    联系我时,请说是在口碑仪器网上看到的,谢谢!

    商品详情

      LEEG上海立格SPH19D单晶硅小差压传感器


      【简介】

      LEEG上海立格SPH19D单晶硅小差压传感器的核心传感单元是采用单晶硅技术,传感元件内置温度传感元件,大限 高提高敏 感元件的 温度性能,是一种 数字化、智能化的传感元件。可应用于各种恶劣环境,工作温度范围高达-40-85℃,它还具有测量的高精度、高稳定性、输出信号好,稳定性好等特点。


      【产品特性】

      ◆ 高稳定单晶硅芯片

      ◆ 恒压激励方式

      ◆ 隔离式结构,适用于多种流体介质

      ◆ 全316L不锈钢材质

      ◆ 哈氏合金C、钽膜片可选

      ◆ φ19mm压力传感元件


      【产品用途】

      工业过程控制、气体,液体压力测量、液位测量、压力检测仪表、压力校准仪器、液压及开关、制冷设备和空调、航空航海检测。


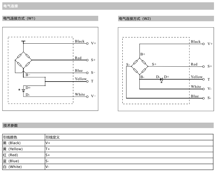
      【参数&尺寸】



    0571-87774297