重庆兆宏科技有限公司宝石陶瓷圆棒
重庆兆宏科技有限公司宝石陶瓷圆棒
产品价格:(人民币)
  • 规格:可定制
  • 发货地:重庆北碚区
  • 品牌:
  • 最小起订量:1件
  • 免费会员
    会员级别:试用会员
    认证类型:企业认证
    企业证件:通过认证

    商铺名称:重庆兆宏科技有限公司

    联系人:李春(先生)

    联系手机:

    固定电话:

    企业邮箱:

    联系地址:

    邮编:

    联系我时,请说是在口碑仪器网上看到的,谢谢!

    商品详情

      宝石、陶瓷圆棒

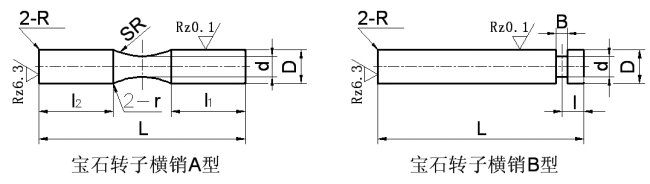
      本公司生产的圆棒按材料类型分为宝石圆棒、陶瓷圆棒两大类,按零件结构类型分为平面圆棒、单凸顶圆棒、双凸顶圆棒、转子横销、异型圆棒、盲孔圆棒等几类。宝石圆棒以人造刚玉单晶体(蓝/红)为材料;陶瓷圆棒以氧化锆、氧化铝等功能陶瓷SiCSi3N4、光学玻璃等为材料。

      宝石圆棒主要是利用人造刚玉单晶体具有的耐腐蚀、耐磨损、热稳定性和化学稳定性以及良好的光学性能,制作成注塞棒、测量杆等高精密元件后,常用于精密机械、超精密测量及激光技术等方面;以氧化锆、氧化铝等陶瓷为材料制成的高精度圆棒,主要用于医学、精密机械、精密测量与检测以及激光技术应用等方面,如:注塞棒、测量杆、激光棒、激光测距仪、激光制导仪、陀螺仪等,并在耐腐蚀、耐磨损、高热传导等使用环境中得到了广泛采用。  

       

      产品型式:


      产品规格:

      陶瓷圆棒外径DΦ0.80 ~ Φ40.00mm,  外径极限偏差0.05 ~ 0.05

      陶瓷圆棒长L1.00 ~ 5.00mm,      度极限偏差0.05 ~ 0.20

      宝石圆棒外径DΦ1.00 ~Φ80.00mm,   外径极限偏差0.003 ~ 0.05

      宝石圆棒长L6.00 ~ 80mm,        度极限偏差0.05 ~ 0.20

      技术性能参数:

      材料:人造蓝/红宝石单晶体材料α-Al2O3、氧化锆陶瓷、氧化铝陶瓷及SiCSi3N4、光学玻璃等

      订货事项:

      具体规格尺寸、技术要求可按用户图纸加工,也可代为设计。


    0571-87774297