日本骏河 电动对位XYY平台 FXYY-650 精度高载荷大 性价比高
日本骏河 电动对位XYY平台 FXYY-650 精度高载荷大 性价比高
产品价格:¥1(人民币)
  • 规格: FXYY-650
  • 发货地:上海
  • 品牌:
  • 最小起订量:1套
  • 免费会员
    会员级别:试用会员
    认证类型:企业认证
    企业证件:通过认证

    商铺名称:本阅(上海)工业设备有限公司

    联系人:鄢志军(先生)

    联系手机:

    固定电话:

    企业邮箱:sales06@futansi.com

    联系地址:上海市青浦区华徐公路3029弄86号(民兴大道)

    邮编:

    联系我时,请说是在口碑仪器网上看到的,谢谢!

    商品详情
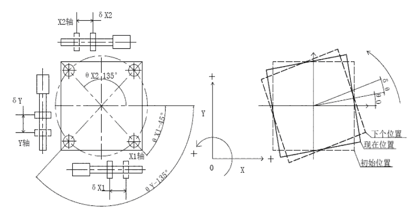
        电动对位台工作台面和基座材质可另选S50C、S50C+调质HRC28-32,其表面处理也可做无电解镍或表面黑色处理。极限行程是以工作台位于中心计算。


      安装方法:



      参数:


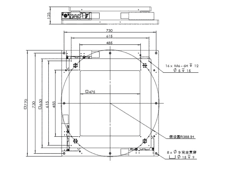
      外形尺寸:



      接线图:


      计算公式:



    0571-87774297