SECULIFE ST 医用电气安全测试仪
SECULIFE ST 医用电气安全测试仪
产品价格:¥56000(人民币)
  • 规格:delta
  • 发货地:广东东莞市
  • 品牌:
  • 最小起订量:1台
  • 诚信商家
    会员级别:钻石会员
    认证类型:企业认证
    企业证件:通过认证

    商铺名称:东莞市高升电子精密科技有限公司

    联系人:张继高(先生)

    联系手机:

    固定电话:

    企业邮箱:gaoshengkeji@163.com

    联系地址:广东省东莞市大朗镇松柏朗新园一路6号2栋101室

    邮编:523770

    联系我时,请说是在口碑仪器网上看到的,谢谢!

    商品详情

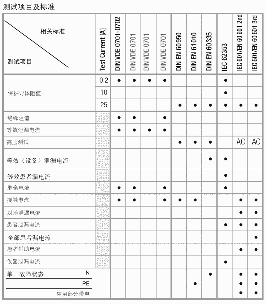
      标  准:

      GB/T 9706 (IEC 60601) 医用电气设备 安全通用要求

      YY/T 0841 (IEC 62353 / VDE 0751-1) 医用电气设备 周期性测试和修理后测试

      GB/T 4793 (IEC 61010) 测量电气、控制与实验室电气设备 安全标准

      GB/T 4706 (IEC 60335) 家用电器 通用标准的安全要求

      GB/T 4943 (IEC 60950) 信息技术设备(包括电气事务设备)安全标准

      DIN VDE 0701-0702 电气设备 一般要求的电气安全


       

      应用范围:

      只需一台便携式的SECULIFE | ST综合安规测试仪,和标准相关的所有参数都可以被测量和存档,同时可以选择全自动和手动两种测试模式。

      SECULIFE | ST可以侦测待测设备的绝缘等级、接线错误及供电状态,在自动测试模式下,测量变得异常简单。

      ··选择标准. ··按下开始  ··读取报告

      对于非标准插头的大型医疗设备的测量,我们也可以提供完美的解决方案。

      SECULIFE | ST 配备针对操作者的紧急安全开关。

      SECULIFE | ST 是唯一一款可以选配三相适配器的医疗类测试仪器,三相适配器AT3-IIIE 和AT3-IIS 可以完美解决三相医疗设备及单相大电流启动设备的测试需求。

      SECULIFE | ST既是一台安规测试仪,又是一台万用表和功率计,满足现场测试的多种需求。

      SECULIFE | ST标配RS232接口,通过免费软件可以实现数据的导出及报告生成。

      (P)SI模块做为选件可以方便输入存储(打印)测试报告,同时SECULIFE | ST可以和PS3 visualFM、Fundamed、MD Data、PC doc Word/Excel、PC doc Access以及其它软件兼容。

       


       


      特点:

      \\满足GB9706.1(IEC60601)标准,具有单一故障模拟功能

      \\自适应供电电源:110V/60Hz,230V/50Hz

      \\10组应用部分测试接口可以任意分组

      \\200mA保护导体电阻测试电流,10A或25A可选

      \\绝缘电阻测试

      \\1.5KV耐压测试,也可选配6kV直流电压(等效于4KV交流电压)

      \\对地漏电流测试

      \\接触漏电流测试

      \\患者漏电流测试(AC和DC含量分别显示)

      \\患者辅助漏电流测试

      \\等效测量/直接测量/差分测量漏电流

      \\内部存储125组数据,可选配外置存储、输入、打印功能模块

      \\标配RS232接口

      \\提供针对三相电源设备的适配器

      \\接线错误或残余电流过大自动断电以确保操作者安全

       

      产品简介:

      用于专业评价实验室、医院和制造商对医疗设备进行电气安全例行检测

       

      技术参数:

      1.保护导体电阻RPE

      0.000~2.100Ω 1mΩ >200mA DCorAC  ±(5%读+10d)

      2.11~31.00Ω 10mΩ>200mA DCorAC  ±(5%读+10d)

       

      0.000~2.100Ω 1mΩ >10A AC ±(5%读+10d)

      0.000~2.100Ω 1mΩ >25A AC ±(5%读+10d) (可选测试模块)

       

      2. 绝缘电阻RISO,测试电压0-500V

      0.050~1.500MΩ1kΩ<10mA  ±(5%读+10d)

      1.01~10.00MΩ 10kΩ

      10.1~310.0MΩ100kΩ±(10%读+10d)

       

      3. 等效漏电流IEL

      0.00~21.00mA ±(5%读+0.01mA) 

      20.1~120.0mA ±(5%读+0.1mA)

       

      4. 对地漏电流

      0-21mA      ±(5%rdg+0.1mA)

      20.1-120mA  ±(5%rdg+1mA)"

      接触(外壳)漏电流

      0-3.5mA ±(5%rdg+0.001mA)

      患者漏电流/患者辅助漏电例

      0-310 μA    ±(5%rdg+1μA)

      0-2.1mA     ±(5%rdg+10μA )

      2.101-21mA  ±(5%rdg+0.1mA)

      20.1-120mA  ±(5%rdg+1mA)"

      支持患者应用部分类型    B BF CF

         

      5. 接触电流Iprobe

      0~3.500mA 1μA  2kΩ  ±(5%读+10d)

       

      6. 残余电流(差分漏电流)ΔIL和N之间

           0.000~3.100mA

           3.00~31.00mA~ 1/10μA (5%读+10d)

       

      7. 耐压测试(可选测试模块)

          0.5-1.5kV  步进10V   ±1.5%

          1-6kV       步进100V  ±1.5%

          采用电压代替法,UDC等效于UAC*1.5*1.011+60V

       

      8. 通用技术指标

      8.1外壳

      8.1.1设计  坚固,集成的防护套可抗冲击

      8.1.2防淋/防尘   IP51等级

      8.2显示屏

      8.2.1类型  LCD显示屏

      8.2.2尺寸  292 x 130 x 243 cm

      8.2.3 重量  4.5公斤

      8.3内存 :125组测试数据

      8.4电源

      8.4.1自适应110V/60Hz或230V/50Hz电源供电

       

      商品详情:

       


       

      1.F02: 6000 VDC 耐压测试(相当于4000VAC)

      2.KA01: 内置IEC 60601标准测试序列

      3.KB01: 125 组数据存储(以数字编号形式存储或用扫描仪读取后识别)

      4.KE01: 单个项目测试后直接打印 

       

    0571-87774297