YZ2426系列 高频干扰发生器
YZ2426系列 高频干扰发生器
产品价格:¥76000(人民币)
  • 规格:完善
  • 发货地:广东东莞市
  • 品牌:
  • 最小起订量:1台
  • 诚信商家
    会员级别:钻石会员
    认证类型:企业认证
    企业证件:通过认证

    商铺名称:东莞市高升电子精密科技有限公司

    联系人:张继高(先生)

    联系手机:

    固定电话:

    企业邮箱:gaoshengkeji@163.com

    联系地址:广东省东莞市大朗镇松柏朗新园一路6号2栋101室

    邮编:523770

    联系我时,请说是在口碑仪器网上看到的,谢谢!

    商品详情

      标  准:

      IEC60601-2-27:2011医用电气设备.第2-27部分:心电图监护设备的基本安全性和必要性能用详细要求202.6.2.101

      IEC 80601-2-26-2019医用电气设备.第2-26部分:脑电图仪基本安全和基本性能的特殊要求 202.8.101

      YY 0601-2009 医用电气设备 呼吸气体监护仪的基本安全和主要性能专用要求

       


      应用范围:

      便携式、多用途测试工装,它专为医疗设备(如心脑电图系统,监护仪,窥镜等)的电刀干扰测试抽样快检而设计,主要检测的电刀干扰后医疗电气设备快速回复正常工作的情况。

       


      产品简介:

      用于检测的电刀干扰后医疗设备快速回复正常工作的情况。

       

      技术参数:

      1.激励源:(可选内置或外置)

      电切模式功率输出300w,工作频率400 kHz ±10 %,患者模拟负载 无感电阻200W/500Ω±5%,耐压2500V,电感<5uH

      电凝模式功率输出100w,工作频率400 kHz ±10 %,患者模拟负载 无感电阻200W/500Ω±5%,耐压2500V,电感<5uH

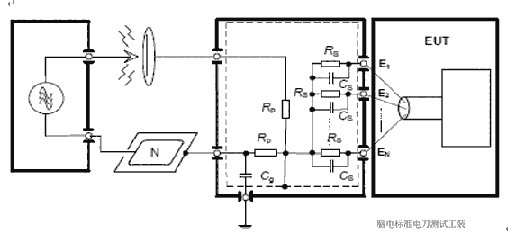
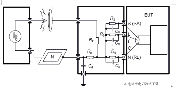
      2.心电测试耦合网络:

      输出端子20组,4mm快接插座,

      皮肤模拟负载,电容47nF ±5%,耐压600V, 军标负载无感电阻2W/51KΩ±1%,耐压500V,电感<5uH

      3.脑电测试耦合网络:

      出端子40组,4mm快接插座,

      皮肤模拟负载,电容47nF ±5%,耐压600V, 军标负载无感电阻2W/10KΩ±1%,耐压500V,电感<5uH

      内部具有抗扰屏蔽层

       


       

       

    0571-87774297