昆仑海岸KLP-311现场电源信号隔离处理器
昆仑海岸KLP-311现场电源信号隔离处理器
产品价格:¥9999(人民币)
  • 规格:KLP-311
  • 发货地:北京海淀区
  • 品牌:
  • 最小起订量:1台
  • 免费会员
    会员级别:试用会员
    认证类型:企业认证
    企业证件:通过认证

    商铺名称:沈阳信澎源科技有限公司

    联系人:(先生)

    联系手机:

    固定电话:

    企业邮箱:xpy18842596873@163.com

    联系地址:辽宁省沈阳市皇姑区鸭绿江街3-1号

    邮编:

    联系我时,请说是在口碑仪器网上看到的,谢谢!

    商品详情

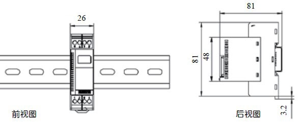
      ┃小型插装式构造的数字信号隔离处理器

      ┃“输入-输出-电源”互相隔离

      ┃带电源指示灯

      ┃带输出信号零点和满度调整

      ┃可高密度安装

    0571-87774297