CYB602工业数显压力变送器
CYB602工业数显压力变送器
产品价格:¥400(人民币)
  • 规格:CYB602
  • 发货地:陕西西安市
  • 品牌:
  • 最小起订量:1只
  • 免费会员
    会员级别:试用会员
    认证类型:企业认证
    企业证件:通过认证

    商铺名称:西安新教电子科技有限公司

    联系人:孙莹(小姐)

    联系手机:

    固定电话:

    企业邮箱:

    联系地址:

    邮编:

    联系我时,请说是在口碑仪器网上看到的,谢谢!

    商品详情

       

      一、产品简介

      CYB602工业数显压力变送器采是一种精度高、适应范围广、性能优异的压力测量仪表。 产品采用进口隔离式压力传感器,配合仪表专用电路处理并输出工业标准信号。该产品经长期老化及稳定性考核等工艺进行了筛选,具有抗过压、过流、反向、雷击和电磁干扰等功能,具有较高的性价比。产品性能稳定可靠、安装方便,广泛适用于石油、化工、冶金、电力、水文地质等工业过程压力、液位的测量与控制。

      二、技术性能

      -100…0~35…1000(KPa)

      0~2、20…100(MPa)

      额定量程的1.5倍

      316L不锈钢兼容的气体、液体

      4~20mA  二线制 / RS485通讯

      3位半LED

      +12~+36VDC (标定值为+24VDC)

       ±0.2%F.S   ±0.3%F.S

      ≤±0.2%F.S/年

      20~+85℃

      ≤1ms

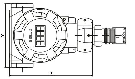
      M20×1.5 或用户自定

       

      ExiaIICT6

      IP65


      三、产品特点

                ● 测量范围宽: -0.1…0~100MPa
           ● 防腐蚀性强:316L不锈钢膜片
           ● 精度高,稳定性好
           ● 31/2LED显示
           ● 零点、满量程输出可调
           ● 抗电磁干扰设计
           ● 本安防爆

      四、外形结构

       

       

       

       

       

       

       

       

      五、产品选型

      CYB602

       

      工业数显压力变送器

       

      G

       

      表压

       

      A

       

      绝压

       

      0~X (KPa或MPa)

       

      量程

       

      J02

       

      ±0.2%FS

       

      J03

       

      ±0.3%FS

       

      C1

       

      4~20mA输出

       

      C0

       

      特殊

       

      M1

       

      M20×1.5 外螺纹

       

      M2

       

      G1/2   外螺纹

       

      M0

       

      特殊

       

      F5

      接线端子出线

       

      F0

      特殊

       

    0571-87774297