吊车超载保护器
吊车超载保护器
产品价格:¥600(人民币)
  • 规格:CIS1301-5A
  • 发货地:宁波
  • 品牌:
  • 最小起订量:1台
  • 诚信商家
    会员级别:钻石会员
    认证类型:企业认证
    企业证件:通过认证

    商铺名称:慈溪巨森电器有限公司

    联系人:陈经理(先生)

    联系手机:

    固定电话:

    企业邮箱:776772173@qq.com

    联系地址:浙江省宁波市慈溪市横河镇龙南村王家桥

    邮编:315318

    联系我时,请说是在口碑仪器网上看到的,谢谢!

    商品详情
      CIS1301吊车超载保护器 起重机专用型
      一、 概述
      CIS1301吊车超载保护器是本公司研发团队在多年研制电动机保护继电器的基础上开发的新一代智能型的科技产品,针对起重电机的特性专门调整了过载保护动作曲线。内置可开可关的相序功能,具有定时限和反时限两种过载动作功能,方便客户选择,更广泛得应用于天车,行车,吊车,电梯等起重行业。
      CIS1301吊车超载保护器采用高精度ARM芯片,高线性度的CT,以及更加快速,更加精准的计时动作来保护控制电动机。
      二、 主要功能

      ●过载 ●堵转 ●短路 ●欠载 ●相序 ●三相不平衡  ●缺相 ●过压 ●欠压  ●五次故障记忆 ●复位方式可选●过载动作时间定时限反时限通用 (选增功能)〇远程复位(接PLC输出口)

      四、正常工作条件

      四、操作指南

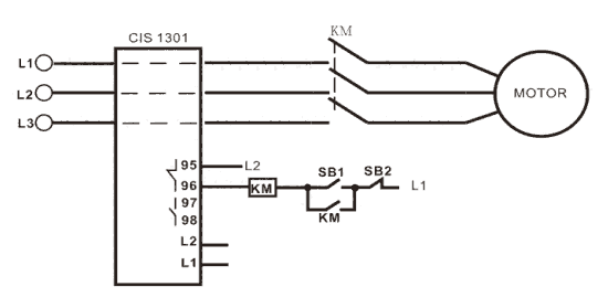
      五、典型应用接线图例


      六、结构尺寸(单位:mm)






    0571-87774297