全新古田NC320四轴凸轮转台数控回转工作台销售
全新古田NC320四轴凸轮转台数控回转工作台销售
产品价格:¥99999(人民币)
  • 规格:NC320
  • 发货地:江苏苏州市
  • 品牌:
  • 最小起订量:1台
  • 免费会员
    会员级别:试用会员
    认证类型:企业认证
    企业证件:通过认证

    商铺名称:苏州铜阳自动化设备有限公司

    联系人:杨永金(先生)

    联系手机:

    固定电话:

    企业邮箱:5248614@qq.com

    联系地址:苏州市昆山市陆丰东路78号

    邮编:

    联系我时,请说是在口碑仪器网上看到的,谢谢!

    商品详情

      全新古田NC320四轴凸轮转台数控回转工作台销售由苏州铜阳精机提供。



      古田NC320四轴凸轮转台详细介绍:



      产品简述


      古田凸轮式数控转台内部采用凸轮滚子传动结构,凸轮与滚针轴承预压无间隙滚动传动,无滑动摩擦,持续保持无间隙特性,正逆向运动重复精度高,无需定期校准和调整,且具有高刚性,重负载,高效率的特性,产品不会因温升导致精度不良。





      产品说明



      品名:古田NC320四轴凸轮转台



      品牌:古田



      别名:古田滚子凸轮分度盘



      所属系列:古田四轴转台



      伺服电机标配:FANUC-αiF8、FANUC-βiS12、MITSUBISHI-HF154



      供货商:苏州铜阳精机



      原产地:苏州





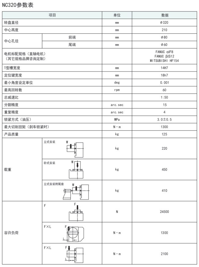
      产品参数

      古田四轴转台

      产品平面


      古田四轴转台


      产品图片

      古田四轴转台


      注意事项


      古田四轴凸轮转台在操作过程中,如果出现任何异常,必须立即停止机械加工工作,以免造成更大的损失,在机械运动区域内进行异常排查和维护处理时,必须切断电源,以确保安全,若长时间停机未使用,当再次开机使用时,有必要进行转台的预热工作。





      相关产品



      古田NC170四轴凸轮转台



      古田NC250四轴凸轮转台



      古田NC200四轴凸轮转台




      全新古田NC320四轴凸轮转台数控回转工作台销售所述参数,说明,价格,运费等请以产品实际为主。了解更多关于古田四轴转台资讯,请联系我们。

    0571-87774297